Technisches Zeichnen: Fehlerhafte Zeichnung verbessern 06.10.2010, 11:22
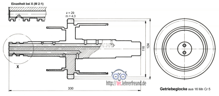
In der Aufgabe geht es um die Darstellung der Getriebeglocke aus einem Antrieb mit Lamellenkupplungen. Aufgabe: Die fehlerhafte Zeichnung soll verbessert werden.
Eine fehlerhafte Zeichnung berichtigen
In der Aufgabe geht es um die Getriebeglocke aus einem Antrieb mit Lamellenkupplungen. Um sie besser von den übrigen Bauteilen abgrenzen zu können, wurde die Getriebeglocke in der Gruppenzeichnung unten blau angelegt.
Anmerkung zur zeichnerischen Darstellung und Funktion des Antriebs.
Es handelt sich um eine von einem nichtdeutschen Hersteller hergestellte Baugruppe. Das merkt man schon daran, dass er sich in seinen Zeichnungen um keinerlei DIN-, ja nicht einmal um eine EN-Norm schert. So kommt er beispielsweise völlig ohne Mittellinien aus, obwohl es sich um ein fast rein zylindrisches Teil mit einer größeren Anzahl Bohrungen handelt. Auch kann es nicht sein, dass die Getriebeglocke aus einem einzigen Teil besteht; dies sieht man an den Querbohrungen in der Welle: Sie könnten nur hergestellt werden, wenn man die äußere Glocke durchbohrt.
Die Getriebeglocke nimmt zwei Lamellenpakete auf, die über die Bohrungen mit Öldruck geschaltet werden. Ihr Öl erhalten die Bohrungen über ein Drehdurchführungssystem (Welle ganz links). Der größte Durchmesser des Bauteils ist ein Stirnrad, über das der Antrieb eingeleitet wird.
Aufgabe:
In der Getriebeglocke, die mit Fehlern vorgezeichnet und nur teilweise bemaßt ist, die Zeichenfehler finden und sie richtig stellen. Die Seitenansicht soll, obwohl alle verdeckten Kanten fehlen, als richtig dargestellt gelten. (Anmerkung: Würde man in die Seitenansicht alle verdeckten Kanten einzeichnen, würde die Verständlichkeit sehr darunter leiden).
Erläuterungen zur Lösungszeichnung
Die Fehler befinden sich nur in der Vorderansicht. In der Aufgabenzeichnung findet man folgende Fehler:
Linke Hälfte
- Welle: Die Welle ist im Teilschnitt dargestellt; deshalb muss auch deren obere Partie schraffiert werden. Das gilt auch für den sich an die Welle anschließenden Zahnradteil.
- Glocke: Es fehlen vier umlaufende Kanten, zwei davon am Einstich der Sicherungsring-Nute.
Rechte Hälfte
- Welle: Die Welle ist im Teilschnitt dargestellt; deshalb muss auch der obere Teil schraffiert werden.
- Welle: Der unteren axial verlaufenden Ölbohrung fehlt eine Umlaufkante im Bereich des Bohrkegels.
- Welle: Am rechten, nicht geschnittenen Wellenabschnitt fehlen drei Umlaufkanten.
- Glocke: Auch hier fehlen vier umlaufende Kanten.
Bemaßung
Die beiden Durchmesser rechts erhalten die Durchmessersymbole ø.


