Druckabfall in Hydrauliksystemen 07.06.2008, 17:25
Das Druckbegrenzungsventil (DBV), in der Technik auch als Überdruckventil bezeichnet, begrenzt den zulässigen Druck in einem hydraulischen Kreislauf. Wir erklären die Funktionsweise und den Unterschied zwischen direkt und indirekt gesteuerten Druckbegrenzungsventilen. Außerdem finden Sie eine Übung, in der die Frontladerhydraulik eines Traktors mit genormten Hydrauliksymbolen gezeichnet werden soll.
3. und 4. Jahr
Druckabfall in Hydrauliksystemen
Das Druckbegrenzungsventil (DBV), in der Technik auch als Überdruckventil bezeichnet, begrenzt den zulässigen Druck in einem hydraulischen Kreislauf. Steigt der Druck im System über den gewünschten, in der Regel durch eine Feder voreingestellten Wert an, dann öffnet das Ventil und lässt die Hydraulikflüssigkeit zum Tank strömen. Dadurch schützt das DBV die Pumpe. Es gibt direkt und indirekt gesteuerte Druckbegrenzungsventile.
Wie funktioniert ein direkt gesteuertes Druckbegrenzungsventil?
Auf den Kegelkolben wirkt der Öldruck pöl und erzeugt eine Kraft nach rechts.
Der Kraft Föl aus dem Öldruck und der Kolbenfläche steht die Federkraft Ff entgegen. Solange Ff größer ist als Föl, bleibt der Kolben auf seinem Sitz. Erst wenn Föl den Wert von Ff übersteigt, drückt der Ventilkörper die Feder zusammen und öffnet den Weg von der Pumpenseite P zur Tankseite T. Weil die Pumpe nun dauernd gegen den an der Feder eingestellten Maximaldruck anarbeiten muss, muss sie eine unnütze Leistung aufbringen, die nur das Öl erhitzt. Diese Konstruktion eignet sich auch nicht für größere Ölströme, weil sie zu große Leitungsquerschnitte erfordert, und damit noch stärkere Federn.
Siehe auch Grundaufbau einer Hydrauliksteuerung.
Die wirtschaftlich bessere (und teurere) Lösung: das vorgesteuerte Druckbegrenzungsventil.
Es besteht aus einer Hauptsteuerstufe (links) und einer Vorsteuerstufe (rechts).
Die Feder der Vorsteuerstufe stellt den zulässigen Maximaldruck des Systems ein.
Der Eingangsdruck wirkt auf die linke Stirnseite des Hauptkolbens und erreicht über eine sehr kleine Bohrung, die Drossel, die Stirnseite des Vorsteuerkolbens. Solange dieser nicht öffnet und damit kein Öl fließt, ist der Hauptkolben druckausgeglichen und wird von der schwachen Feder auf seinem Sitz gehalten. Steigt der Eingangsdruck so weit an, dass das Vorsteuerventil öffnet, dann fließt eine geringe Ölmenge durch die Drossel und erzeugt rechts vom Hauptkolben einen Druckabfall. Der Kraftunterschied zwischen der Vorder- und Hinterseite des Kolbens schiebt den Hauptkolben gegen die Feder nach rechts. Damit ist die Verbindung zwischen Eingang und Ausgang geöffnet; das Öl strömt ohne nennenswerten Widerstand zum Tank.
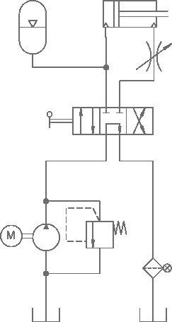
Anwendung: Vereinfachte Frontladerhydraulik eines Traktors
Grundaufbau eines Hydraulik-Kreislaufs.
1 = Öltank
2 = Hydropumpe, vom Dieselmotor angetrieben
3 = Steuergerät (Wegeventil)
5 = Parallel zum Kreislauf liegendes Druckbegrenzungsventil
4 = Arbeitszylinder
6 = Rücklauffilter
Lernkontrolle:
Zeichnen Sie den hier dargestellten Schaltplan mit nach DIN ISO 1219 genormten Hydrauliksymbolen.
Sie sind unten abgebildet. Das 3/3-Wegeventil wird in Mittelstellung angeschlossen.

Lösung

Ergänzung
Kommentar Klingspor

Schaltplan von O. M. v. Klingspor. Er schreibt dazu:
Liebe Lehrerfreunde,
wie schon in der Diskussion erwähnt, wäre ein doppeltwirkender Zylinder (DWZ) für den Trecker die bessere Lösung. Dafür habe ich eine Schaltung entworfen.
Das Druckbegrenzungventil habe ich um die Pumpe herum in den Ansaugstrom der Pumpe geführt. Das vermeidet alle Probleme mit dem Filter. Verschmutzt dürfte es ja kaum sein. Der Querschnitt der Pumpensaugleitung müsst ebenfalls eine Nenngröße höher liegen.
Meine Frage: Wie bindet man einen Druckspeicher ein? In der angefügten Schaltung habe ich ihn parallel zum Anschluss A des DWZ gelegt. Er könnte Druckschwankungen auffangen, die entstehen, wenn das Fahrzeug im ruppigen Alltag unter Last bewegt wird.
Leider fehlt mir hier die Erfahrung. Was meinen Sie? Über eine fruchtbare Diskussion würde ich mich freuen.


