Info-Brief vom 27.02.2011 27.02.2011, 22:55
In diesem Info-Brief fassen wir 16 neue Beiträge zusammen. Von hier gelangen Sie über direkte Links leicht zu den Themen. Statten Sie dem tec.LEHRERFREUND einen Besuch ab und finden Sie, was Sie vielleicht schon lange in Ihrem Unterricht brauchen könnten.
Liebe/r tec.LEHRERFREUND-Leser/in,
Körperschwerpunkte durch Versuche finden, wie Werkzeugmaschinen aufgebaut sind und wie sie arbeiten, wie man Biegerechnungen anstellt und schließlich, wie man einen Hydraulikschaltplan zeichnet: Es war ein weit gestreutes Gebiet, das der tec.LEHRERFREUND in 16 Beiträgen seinen Lesern vorstellte. Dazu gehören natürlich wie immer im Unterricht verwertbare Skizzen und Zeichnungen.
Der INFO-Brief zum tec.LEHRERFREUND am 25. 02. 2011 mit den Themen:
Neue Beiträge in der
prima.tec-Reihe
Uli - das ist der Sohn des Bauern, bei dem Euli seinen Schlafplatz hat, entwickelt eine Vorliebe für
Versuche. Das interessiert auch Euli im höchsten Maße und er schreibt alles, was er beobachtet, auf seinen Schreibbalken und teilt es uns mit.
»Der Wellpappe abgespickt« ist ein vorgezogener Versuch, der sich mit dem Thema »Biegung« befasst.
Die Serie wurde fortgesetzt mit sieben Versuchen für den N+T-Unterricht:
- Wirkung des Katalysators
- Chemisch Wasser ansaugen
- Wasser in eine Flasche füllen
- Schwimmen Metallteile?
- Was geht vor sich, wenn man eine Kerze durch einen Trichter hindurch auszublasen versucht?

- Ist es dasselbe, ob man eine Schubkarre schiebt oder zieht?
- Wie man durch Versuch Körperschwerpunkte findet.
Fünf weitere Experimentiervorschläge werden folgen.
Weihnachtsstern
Eine Dekoration, der man gar nicht ansieht, dass sie eine ordentliche Portion Geometrie in sich birgt: der Weihnachtsstern.
Straßen im Winter: Der Wasser-Eis-Schlagloch-Effekt
Auf vielen deutschen Straßen sind nach einem langen Frostwinter Baukolonnen unterwegs, um die schlimmsten Straßenschäden zu flicken. Vier Wochen Eis und Schnee haben die Straßen schwer ramponiert. Wie im Winter ein Schlagloch entsteht.
Kaltfräsen
Kaltfräsen ist der 1. Schritt bei der Sanierung von Fahrbahnen. Beim Kaltfräsen werden Asphaltschichten verschiedener Dicke abgetragen. Eine mit hoch verschleißfesten Meißeln bestückte Fräswalze löst die Straßendecke. Erst daran schließt sich der Einbau des neuen Straßenmaterials an.
Gestreckte Längen berechnen
Als neutrale Faser bezeichnet man in der technischen Mechanik die Linie
eines Biegequerschnitts, deren Länge sich bei einem Biegevorgang nicht
ändert. Diese Länge muss man kennen, wenn man ein Biegeteil herstellen will.
Werkzeugmaschinen
Ein großer Teil der mechanischen Bauteile, die in Beiträgen des tec.LEHRERFREUNDS beschrieben sind, werden auf Werkzeugmaschinen hergestellt. Trotz ihrer Vielfalt besitzen Werkzeugmaschinen Gemeinsamkeiten, die wir in diesem ersten Beitrag herausheben.
Festigkeitsberechnungen: Biegung
Werden Bauteile auf Biegung beansprucht, dann entstehen im gebogenen Querschnitt Zug- und Druckspannungen. Bei der Berechnung der maximalen Biegespannung ist das »Widerstandsmoment« ein Schlüsselbegriff. Was versteht man darunter?
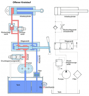
Hydraulik
Einführung in dieses anspruchsvolle Fachgebiet mit projektierten sieben Beiträgen. Der erste davon zeigt den Grundaufbau einer hydraulischen Schaltung als realistische Zeichnung, daneben den Norm-Schaltplan auf der Grundlage von Symbolen nach DIN ISO 1219.
Hydraulische Antriebe 1: Grundaufbau




