Regelungstechnik (3): Aufgabenblatt Kabinenheizung 14.11.2012, 08:55
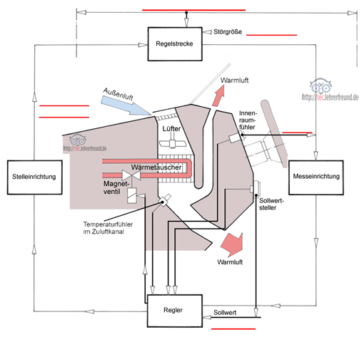
Um die Bauteile einer PKW-Warmluftheizung herum wird ein Regelkreis gelegt mit den Schemablöcken Regelstrecke, Messeinrichtung, Regler und Stelleinrichtung. Der Regelkreis ist zu vervollständigen. Ein vorgesteuertes Magnetventil wird mit Zeichnungen erläutert.
Was geschieht beim Regeln?
Der jeweilige Wert der Regelgröße, der Istwert, wird gemessen. Abhängig von seiner Abweichung vom Sollwert greift das Stellglied automatisch ein. Durch die Rückkopplung der Regelgröße über ein Messglied und den Regler entsteht ein geschlossener Wirkungskreis, der Regelkreis. Der geschlossene Kreis ist das eindeutige Unterscheidungsmerkmal einer Regelung gegenüber einer Steuerung. Regelsysteme werden meistens eingesetzt, um den Einfluss von Störungen, die innerhalb des Systems stattfinden, auszugleichen. Die Regelgröße soll den vorgegebenen festen Sollwert einhalten.
Aufgabe Kabinenheizung

Situation:
Von außen kommende Luft wird mit Hilfe des heißen Kühlwassers von einem Wärmetauscher erwärmt. Beim Regeln wird je nach Erfordernis die Warmwasserleitung geschlossen oder geöffnet. Die Einrichtung, die dies bewerkstelligt, ist ein Magnetventil.
Am Sollwertsteller ist die gewünschte Temperatur (z. B. 20°C) eingestellt. Innen misst man (im Winter) eine Raumtemperatur von 5°C, die der Außentemperatur entspricht. Der Innenraum soll während der Fahrt auf 20°C erwärmt werden. Störgrößen wie das Öffnen der Tür und der Fenster und das normale Abkühlen werden berücksichtigt.
Schritte im Regelungsprozess
1. Wert der Regelgröße messen (= Istwert der Temperatur im Innenraum)
2. Regler vergleicht den Istwert mit dem Sollwert (Sollwert = am Sollwertsteller eingestellte Temperatur)
3. Regler gibt an das Stellglied eine Spannung aus, die das Ventil im Wärmetauscherkreis öffnet
4. Der Ventilator läuft an und die Temperatur im Innenraum beginnt zu steigen
5. Der Temperatursensor im Zuluftkanal misst die dort herrschende Temperatur. Übersteigt sie 150% der Sollwerttemperatur, drosselt das Regelgerät über das Magnetventil die Wärmezufuhr.
Aufgabe:
Um die Baugruppen der Warmluftheizung herum wurde ein Regelkreis gelegt mit den Blöcken Regelstrecke, Messeinrichtung, Regler und Stelleinrichtung. Schreiben Sie auf die roten Linien, um welche physikalischen Größen, Einrichtungen oder Bauteile es sich handelt.
Magnetventil
Das im Heizungskreislauf verwendete Magnetventil könnte funktionieren wie das unten dargestellte. Wird die Magnetspule mit ihren Anschlüssen + und – nicht angesteuert, ist der Wasserdurchlauf unterbrochen; von einer Feder nach unten gedrückt, dichtet die Mebrane Zulauf A und Ablauf G gegeneinander ab. Es handelt sich um ein vorgesteuertes Ventil.

Wird das Magnetventil vom Regelgerät an Spannung gelegt, zieht die Magnetwicklung den Vorsteuerkolben nach oben. Nun fließt ein kleiner Ölstrom durch die Drossel bei B nach C, D und E. Dabei fällt der Druck im Raum zwischen B und C ab. Der höhere Druck im Eingang hebt die Membrane an und öffnet die Verbindung über F zur Ablaufseite.
Die Skizze unten (Gehäuse Magnetventil) ist für die Verwendung in Arbeitsblättern gedacht
