Werkzeugaufnahmen: Lösungsblatt 07.11.2011, 11:19
Hier finden Sie Lösungsvorschläge für die Aufgaben im Beitrag »Werkzeugmaschinen: Werkzeugaufnahmen«
Werkzeugaufnahmen
Lösungen der Zeichenaufgaben aus dem tec.LERERFREUND-Beitrag »Werkzeugmaschinen: Werkzeugaufnahmen«
Morsekegel MK 4
Die Aufgabe lautete:
Morsekegel MK 4; die Ansicht ist unvollständig.

a) Zeichnen Sie den MK 4 korrekt in der oben gegebenen Vorderansicht.
b) Zeichnen Sie den Bereich (Teilansicht) X in der Draufsicht. Dort ist die Breite des Lappens 24,5. Das Lappenende ist von der Mittellinie aus in beide Richtungen mit 8° abgeschrägt. Lappenbreite in der Draufsicht: Hier können Sie sich mit einer Hilfsansicht behelfen, aus der sich die Form der Abflachung konstruieren lässt.
c) Bemaßen Sie den Morsekegel (siehe auch Kegelbemaßung)
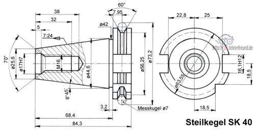
Steilkegel SK 40
Die Aufgabe lautete:
Steilkegel SK 40; beide Ansichten sind unvollständig.

a) Zeichnen Sie den SK 40 vollständig in zwei Ansichten.
c) Bemaßen Sie den Steilkegel (siehe auch Kegelbemaßung)
d) Berechnen Sie den halben Kegelwinkel.
Halber Kegelwinkel: Kegelverhältnis C = 7 : 24 ––> Neigung C/2 = 7 : 48 = 0,1458
tan α = 0,1458 = 1 : 6,857
α = 8° 45´
(Verbesserung: Der tan α = 0,1485333 ergibt α = 8°17´50´´). 8°45´ in der Zeichnung ist also nicht korrekt.
Hohlschaftkegel HSK 60
Die Aufgabe lautete:
Hohlschaftkegel HSK 60. Der hier dargestellte HSK weicht von der Norm ab.

Zeichnen Sie den HSK 40 in Vorderansicht und Seitenansicht normgerecht. Die Vorderansicht soll als Halbschnitt dargestellt werden. Nicht angegebene Maße legen Sie selbst fest.


