3D-CAD (4.2): 2D-Zeichnung erstellen, Lagerbuchse 10.12.2013, 07:09

Im vorangehenden Beitrag »3D-CAD (4.1): 2D-Zeichnung erstellen, Stolperfallen« waren Programm-Einstellungen zu ändern, um 2D-Teile herstellen zu können. Erst jetzt können wir die Lagerbuchse modellieren. Sie ist der klassische Fall für eine Vollschnitt- oder Halbschnitt-Darstellung.

Anzeige
Anzeige
  • (geändert: )

(In diesem Beitrag werden Bauteile mit MCAD erstellt. Das verwendete Programm ist Software von SOLIDWORKS, Studentenversion 2013/14).

Unsere Absicht ist es immer noch, von der Lagerbuchse (Bild Z7) eine Zeichnung anzufertigen. Diese Lagerbuchse wäre der klassische Fall für eine Vollschnitt- oder Halbschnitt-Darstellung. 

   Bild Z7
1. Neu ––> Zeichnung ––> OK.
2. FeatureManager: Blatt1 rechtsklicken ––> Eigenschaften ––>  Blatteigenschaften ––> A4(ISO) ––> OK.
Weitere Einstellungen wie »3D-CAD (4.1): 2D-Zeichnung erstellen, Stolperfallen«
3. Speichern unter z. B. Lagerbuchse Zeichnung.

4. Einfügen ––> Zeichenansicht ––> Standard 3 Ansichten ––> Einzufügendes Teil ––> Durchsuchen  ––> Lagerbuchse ––> Öffnen

Die Lagerbuchse erscheint in drei Ansichten (Bild Z8), von denen wir eigentlich nur die Vorderansicht (liegend, Bearbeitungslage) brauchen. Fatalerweise stellt SolidWorks die Ansichten amerikanisch dar (siehe tec.LEHRERFREUND-Beitrag https://www.lehrerfreund.de/technik/1s/parallelprojektion-din-iso-128-30). Dies wäre nur ein kleines Problem, wenn auf den Zeichnungen gleichzeitig das (genormte) Symbol für die jeweils angewandte Projektionsmethode –  ein Kegelstumpf mit Seitenansicht –  vorhanden wäre (Bild Z9). Dieses Symbol fehlt aber. (In Bild Z9 ist das Symbol für die Projektionsmethode 1 dargestellt, also die in Europa übliche Klappung). 

   Bild Z8 

   Bild Z9

5. Von den 3 Ansichten löschen wir die Untersicht (amerikanisch: Draufsicht) sofort ––> Mausrechtsklick ––> Löschen ––> OK. An den gestrichelten, um die Ansichten herumgezogenen Rahmen kann man die Ansichten auf der Blattfläche ziehen und sie besser platzieren.

Vollschnitt: Wir haben die Lagerbuchse liegend vor uns und möchten sie im Vollschnitt darstellen.

Erinnerung: Im vorausgehenden Beitrag »3D-CAD (4.1): 2D-Zeichnung erstellen, Stolperfallen« waren wir zur Lagerbuchse auf folgendem Weg gekommen: 
Einfügen ––> Zeichenansicht ––> Modell.
PropertyManager: Modellansicht  ––> Einzufügendes Teil ––> Durchsuchen. Aus dem aufklappenden Ordner unter Name das zu zeichnende Teil auswählen, hier Lagerbuchse ––> Öffnen. Das zunächst nur aus einem rechteckigen Rahmen bestehende Teil in das Editierfeld ziehen. Da die Lagerbuchse in einer einzigen Ansicht ausreichende Informationen liefert, genügt eine Ansicht, aber es muss die richtige sein. Wenn drei Kreise erscheinen, befinden wir uns in der Seitenansicht, die wir nicht wollen.

Im PropertyManager öffnet Zeichenansicht ––> Ausrichtung ––> Standardansicht Links, diese bringt die Lagerbuchse in Bearbeitungslage. OK.

• Das Teil benötigt eine Mittellinie: Einfügen ––> Beschriftungen ––> Mittellinie. ... usw.

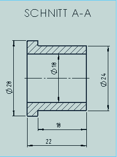
Da wir die Vorderansicht im Schnitt möchten (Bild Z10), müssen wir die gewünschte Lage der Schnittebene angeben. Dies ist in der Vorderansicht selbst nicht möglich, sondern nur in einer Seitenansicht. Wir benötigen also lediglich wegen der Schnittangabe die (unnötige) Seitenansicht. 

   Bild Z10

6. Daraus ergibt sich der zweite Weg über die drei Ansichten: FeatureManager: Blatt1 rechtsklicken ––> Eigenschaften ––> Einstellungen wie in 3D-CAD (4.1).
Da wir die europäische Projektionsmethode vorziehen, sind wir dankbar für die Funktion Umkehren. Sie finden wir, wenn wir folgenden Weg gehen:

7. Einfügen ––> Zeichenansicht ––> Schnitt. Wir setzen Temporäre Achsen, damit wir die Schnittebene sicherer im Mittelpunkt platzieren können. Wir ziehen die Schnittangabe in die Mitte der Kreisansicht und erhalten sofort den Schnitt. Diesen ziehen wir mit dem Cursor nach rechts heraus. Mit Umkehren erhalten wir die europäische Projektion. Die rechte, unter dem Schnitt liegende Ansicht löschen wir: Ansicht anklicken und mit Rechtsklick löschen. OK.

8. Bemaßen: Intelligent bemaßen; wir tragen die 5 Maße ein (Bild Z10).

Bild Z11 zeigt das Ergebnis unserer Mühen. 

    Bild Z11

Anzeige

Ihr Kommentar

zum Artikel "3D-CAD (4.2): 2D-Zeichnung erstellen, Lagerbuchse".



Wir speichern Ihren Kommentar dauerhaft ab (was auch sonst?). Mehr dazu in unserer ausführlichen Datenschutzerklärung.

Andere tec.Lehrerfreund/innen lasen auch:

Anzeige
Nach oben

 >  646 Einträge, 952 Kommentare. Seite generiert in 0.3187 Sekunden bei 118 MySQL-Queries. 652 Lehrer/innen online (3 min Timeout / 2084 ) |