Einen flachen Körper bemaßen, Arbeitsblatt 20.08.2008, 21:21
Das Arbeitsblatt ist eine Vertiefung zum Thema »Bemaßen üben (1)«.
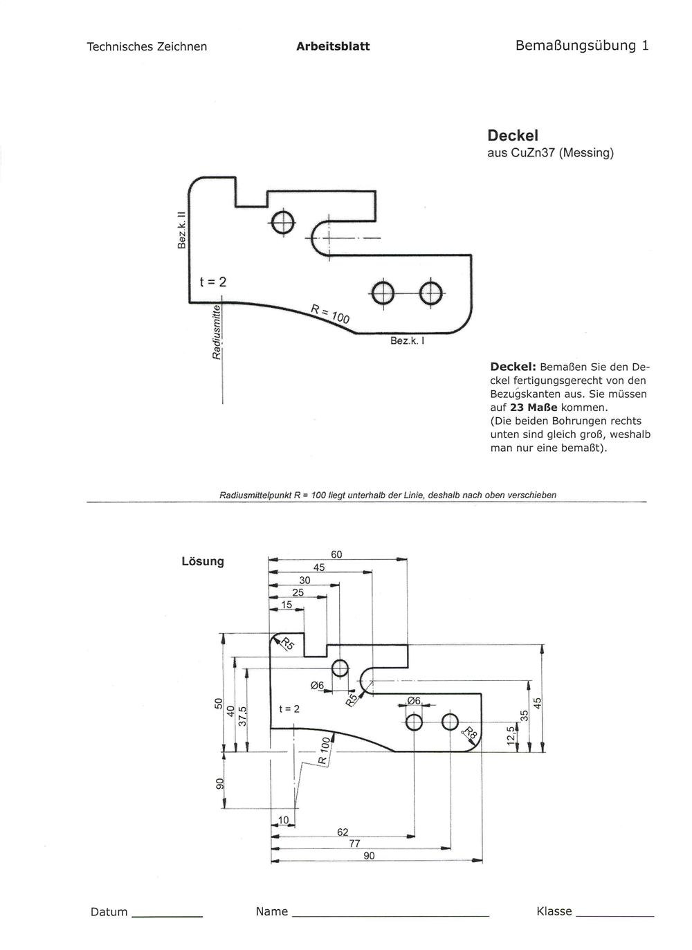
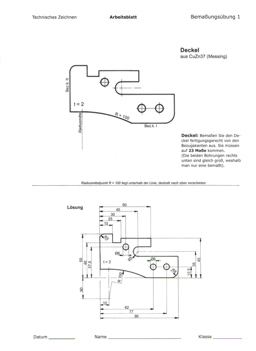
Einen flachen Körper bemaßen
Lesen Sie auch bei https://www.lehrerfreund.de/in/technik/1s/bemassungsuebungen-1/3161/ nach.
Klicken Sie auf das Bild, um eine Großversion des Arbeitsblattes zu erhalten.
Mit dem Arbeitsblatt soll ein Deckel aus CuZn37 (Messing) bemaßt werden. Aufgabentext:
»Bemaßen Sie den Deckel fertigungsgerecht von den Bezugskanten aus. Sie müssen auf 23 Maße kommen. Die beiden Bohrungen rechts unten sind gleich groß, weshalb man nur eine bemaßt.«
