Planetengetriebe (2) 11.10.2008, 16:25
Es geht um die Schaltvarianten, die ein Planetengetriebe bietet und die keine ganz einfache Kost sind. Studieren Sie an einem Baumaschinen-Schaltgetriebe einen praxisnahen Anwendungsfall.
3. Ausbildungsjahr
Planetengetriebe (2)
Mögliche Übersetzungskombinationen bei einem Schaltgetriebe zeigt die Tabelle. Der dicke Pfeil gibt an, wo angetrieben wird, der gestrichelte Pfeil, wo sich der Abtrieb befindet. Man erkennt daraus, dass manche der sieben möglichen Kombinationen entweder
- in ihren Übersetzungen sehr nahe beieinander liegen und dass deshalb nicht alle Möglichkeiten sinnvoll sind, oder
- dass sie zu so hohen Übersetzungen ins Schnelle führen, dass sie technisch ebenfalls nicht brauchbar sind. Denn fast immer verlangt man von Getrieben, Drehzahlen zu reduzieren.

Für die in der Tabelle angegebenen Übersetzungsverhältnisse (letzte Spalte) wurden zugrunde gelegt: Sonnenrad 21 Zähne, Hohlrad 63 Zähne. Das Ergebnis:
Möglichkeiten 3 und 4 führen zu zu schnellen Vorwärts-Abtrieben; Möglichkeit 6 ergibt einen zu schnellen Rückwärtsgang (i = – 0,33). Das Minus-Vorzeichen ist das Kennzeichen für die Richtungsumkehr. Hier noch ein zutreffender Leserhinweis: In der Variante 5 ist das Übersetzungsverhältnis nicht 1,25, sondern 1,333 (= 1+21:63).
Diese drei Varianten scheiden deshalb in der Regel aus. Dagegen wird der direkte Gang (Blockumlauf - auch direkter Gang - in Variante 7) mit i = 1,0 oft genutzt.
_________________________________________
Aufgabe 1:
Prüfen Sie mit Hilfe der angegebenen Berechnungsformeln die in der Tabelle angegebenen Übersetzungsverhältnisse nach.
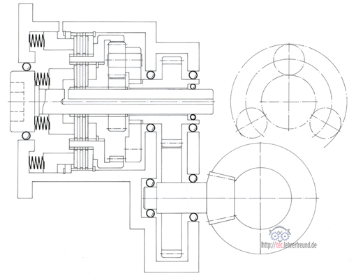
Praktischer Anwendungsfall: Fahrgetriebe eines Mobilbaggers
Das Getriebe erlaubt zwei Fahrgeschwindigkeiten. Ist der (schnelle) Straßengang geschaltet, kann der Mobilbagger mit bis zu 25 km/h auf der Straße fahren. Arbeitet er im Gelände, wird der (langsame) Geländegang geschaltet. Das scheint eine bescheidene Ausbeute zu sein, aber man muss bedenken: Ein Bagger ist keine Rennmaschine für die Autobahn, sondern ein Kraftpaket, das Erdmassen lösen und bewegen soll. Seine Stärke liegt also nicht im Fahren, sondern im Arbeiten mit Grabwerkzeugen.
Der Mobilbagger wird hydrostatisch angetrieben. Mit den beiden Planeten-Lastschaltstufen lassen sich der Straßengang und der langsame Gang verwirklichen. Der Straßengang ist ein direkt geschalteter Gang, d. h. die Antriebsdrehzahl wird ohne Drehzahlveränderung durchgeleitet.
Beschreibung:
Wenn die Hydraulik in Neutralstellung geschaltet ist, sind beide Lamellenkupplungen über die Tellerfedern geschlossen. Die Federn sind hier als Schraubenfedern dargestellt.

Die außen liegende Straßenkupplung wird durch Öldruck geöffnet: Das Hohlrad läuft mit gleicher Drehzahl um wie das Sonnenrad, d. h. es ist der schnelle Gang geschaltet. Beim Öffnen der Kupplung drückt aus dem oberen Steuerölkanal Öl in den Ringspalt zwischen zwei Kolben: Der äußere Kolben wird nach links gegen das Federpaket gedrückt.
Die Geländekupplung wird durch Öldruck geöffnet. Dabei ist die Straßenkupplung geschlossen. Das Hohlrad steht, der Antrieb läuft über das Sonnenrad, langsamer Abtrieb über den Planetenträger. Dies ist die Variante 1 in der Tabelle oben (i = 4). Die Drehdurchführung ermöglicht das Schalten des im Unterwagen sitzenden Getriebes von der Kabine aus.
In beiden Fällen wird die Übersetzung nochmals über die Stirnradstufe vergrößert. Eine letzte Übersetzungsänderung ins Langsame ergibt sich zwischen dem (kleinen) Kegelrad-Triebling und dem (großen) Tellerkegelrad.
Das Bild unten (ZEPPELIN) zeigt das Getriebe als vollständige technische Zeichnung. Es besitzt eine Abschalteinrichtung, die in den schematischen Zeichnungen weggelassen wurde. Ihr Zweck: Wird der Bagger abgeschleppt, trennt sie das Planetengetriebe und damit den Dieselmotor vom restlichen Abtrieb. Dies geschieht dadurch, dass man den Kupplungsring in seiner Kerbverzahnung nach links schiebt. Damit ist die Verbindung ab dem oberen Stirnrad unterbrochen.
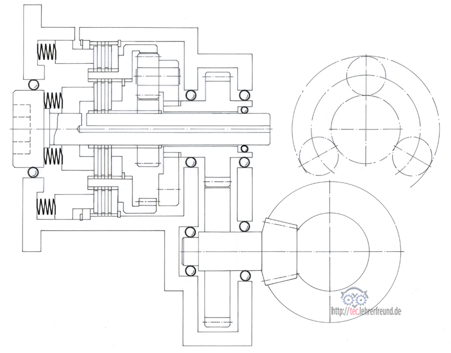
Die Schemazeichnung unten ist für die Verwendung in Arbeitsblättern gedacht.


