Statik: Kräfte am Anhänger 08.02.2012, 06:18
Eine Prüfungsaufgabe aus dem Technischen Gymnasium. Gefragte Themen: Momentengleichgewicht, Seileckverfahren, Winkelfunktionen.
Beachten: Niveau Techn. Gymnasium, Berufskolleg u. Ä.
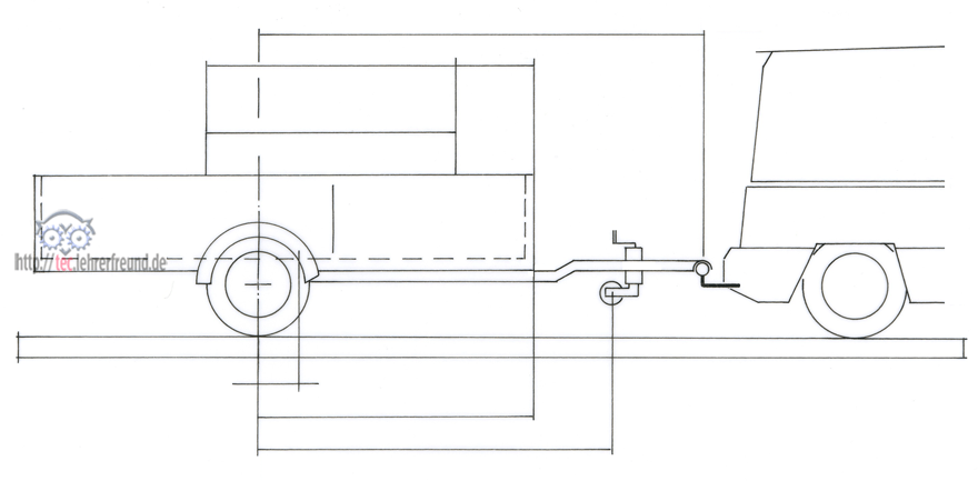
Situation: Ein Pkw-Anhänger ist mit einer Last F2 = 4 000 N beladen. Der Anhänger selbst wiegt F1 = 1 600 N.
Berichtigung: Das Maß l1 ist nicht 1200 mm sondern 1900 mm!

Aufgaben:
1. Die auf die Kupplungskugel wirkende Kraft FK soll 800 N nicht überschreiten. Wie groß darf das Maß l6 sein, wenn diese Vorgabe eingehalten werden soll?
2. Der Anhänger ist abgekuppelt und steht frei auf dem Stützrad. Die Last steht ganz rechts an der Anhängerwand.
Ermitteln Sie zeichnerisch die auf das Stützrad wirkende Kraft.
3. Der beladene Anhänger wird auf einer Steigung mit 12% nach oben gezogen.
a) Zu berechnen: die Zugkraft.
b) Zwischen Last und Anhängerboden wird ein Reibwert μ = 0,18 angenommen. Bleibt die Last bei der Fahrt auf der oben angegebenen Steigung sicher stehen?
Lösungsvorschläge

1. Für die Formulierung des Momentengleichgewichts legen wir den Drehpunkt in den Reifenaufstandspunkt (= unbekannte Kraft FA):
Σ M(A) = 0 = F1 ∙ l4 + F2 ∙ (l3 - l6 - l5/2) - FK ∙ l1 –>
F2 ∙ (l3 - l6 - l5/2) = FK ∙ l1 - F1 ∙ l4
l3 - l6 - l5/2 = (FK ∙ l1 - F1 ∙ l4) : F2; ganze Gleichung mal (-1)
- l3 + l6 + l5/2 = - (FK ∙ l1 - F1 ∙ l4) : F2
l6 = l3 - l5/2 - (FK ∙ l1 - F1 ∙ l4) : F2
l6 = 1350 mm - 475 mm - ( 800 N ∙ 1 900 mm - 1 600 N ∙ 160 mm ) : 4 000 N =
l6 = 559 mm
2. Wir erinnern an Hauptaussagen zum Seileckverfahren.
Aufgaben mit parallelen Kräften oder Kräften, die sich auf dem Zeichenblatt nicht zum Schnitt bringen lassen, können zeichnerisch mit dem Seileckverfahren gelöst werden. Gleichgewicht zwischen allen angreifenden Kräften liegt vor, wenn sich Seileck und Krafteck schließen (Schlusslinienverfahren).
Vorgehensweise:
- Wir legen einen Längenmaßstab fest und zeichnen den Lageplan.
- Wir legen einen Kräftemaßstab fest zeichnen den Kräfteplan, in dem wir den Pol beliebig annehmen. Polstrahl 1 liegt zwischen FA und F1, Polstrahl 2 liegt zwischen F1 und F2 Polstrahl 3 liegt zwischen F2 und FB. Die drei Strahlen werden parallel in den Lageplan verschoben.
- Die Verbindungslinie der beiden Schnittpunkte mit FA und FB ist die noch fehlende Schlusslinie SL, die das Seileck schließt. SL wird zuletzt umgekehrt aus dem Lageplan in den Kräfteplan zurück verschoben. Auf diese Weise ergeben sich die Längen von FB und FA. Über den Kräftemaßstab berechnen wir die Kräfte.
Kräftemaßstab KM 1 cm ≜ 500 N
Längenmaßstab LM 1 cm ≜ 20 cm
FB: herausgemessen 3,45 cm ≜ 1725 N
FA: herausgemessen 7,8 cm ≜ 3 900 N
3.
Der beladene Anhänger wird auf einer Steigung mit 12% nach oben gezogen.
a) Zu berechnen: die Zugkraft FZ.
Steigung 12 % bedeutet: tan α = 0,12 –> α = 6,84°
Zugkraft FZ = FG ∙ sin α = 5 600 N ∙ sin 6,84° = 5 600 N ∙ 0,119 = 667 N
FZ = 667 N
b) Verrutscht die Last bei μ = 0,18?
Hangabtriebskraft FH = F2 · sin 6,84°= 4 000 N · 0,119 = 476,4 N
Reibkraft FR = F2 · cos α · μ = 4 000 N · cos 6,84° · 0,18 = 714,9 N
Die Last verrutscht nicht, weil FH kleiner ist als die bremsende Reibungskraft FR.
_____________________
Die unvollständige Skizze unten ist für die Verwendung in Arbeitsblättern gedacht.
