Gesamtzeichnung: Lamellenbremse (2) 07.05.2014, 15:09
Eine Lamellenbremse liegt im Entwurfsstadium vor und soll als normgerechte Baugruppe dargestellt werden. Verständnisfragen zur Aufbau und Funktion mit Lösungen sind hilfreich. Der tec.LEHRERFREUND führt zur zeichnerischen Lösung der Aufgabe.
- Die Aufgabe, die Gesamtzeichnung einer elektromagnetisch lüftbaren Lamellenbremse herzustellen, wurde im Beitrag »Lamellenbremse (1)« wie folgt vorbereitet:
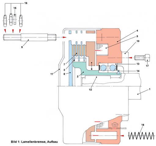
In Bild 1 ist die Bremse in teilweise nur unvollständigen Umrissen dargestellt.
Wesentliche Einzelbauteile sind
1: Antriebswelle
2: Mitnehmernabe
3 und 7: Lamellen mit Bremsbelägen
4: Magnet mit Spule 5
6: Druckring
18: Druckfeder
Aufgaben zu
a) Aufbau
b) Funktion
c) Zeichnerischer Darstellung
a) Aufbau
1. Geben Sie den Einzelteilen Namen.
2. Wie viele Innen- und Außenlamellen hat die Bremse?
3. Bauteile Anzahl: Teil 18 ist 8 Mal vorhanden, die Teile 9 und 17 sind jeweils 4 Mal vorhanden.
4. Die beiden Bauteile 13 haben außer ihrer Typen- und Größenangabe das Zusatzzeichen Z. Was bedeutet es?
b) Funktion
1. Wie funktioniert die Bremse?
2. Welche Bauteile bewirken das Schließen der Bremse?
3. Welche Bauteile bewirken das Öffnen der Bremse?
4. Welle 1 dreht: Welche Bauteile drehen mit?
5. Welche Bauteile stehen immer?
c) Bild 2
Drucken Sie die Vorzeichnung Bild 2 Gesamtzeichnung: Lamellenbremse (1) aus und komplettieren Sie die Zeichnung der Lamellenbremse.
Informationen und Aufgaben dazu:
- Teil 9 hindert die Teile 6, 7 und 8 daran, zu drehen.
- Teil 9 wird in Teil 4 eingeschraubt. In Teil 4 ist eine senkrechte Linie eingezeichnet. Sie stellt den Anschlag für den glatten Durchmesser von Teil 9 dar.
- Zeichnen Sie die Gewindebohrungen für die Teile 9 und 17 lang genug.
- Die Umgebung der Passfeder soll - wie vorgegeben - im Teilschnitt dargestellt werden.
Lösungsvorschläge
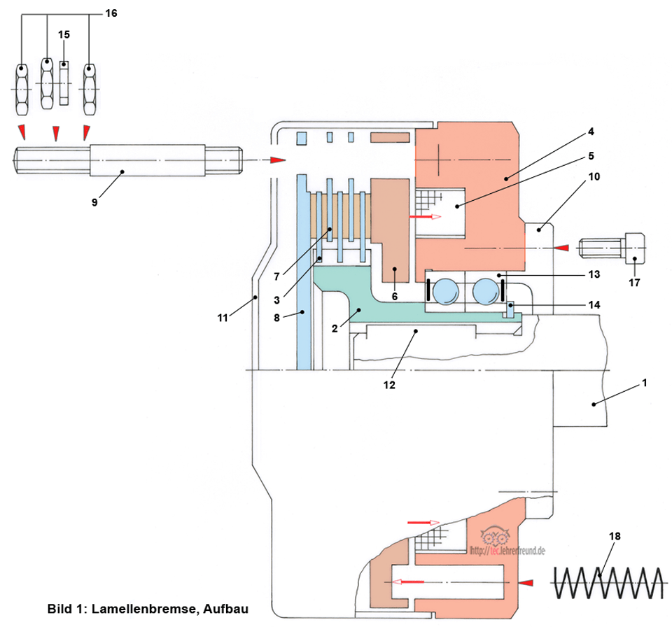
Geamtzeichnung
Anstatt zu schraffieren haben wir die Schnittflächen farbig angelegt.
a)
1. Geben Sie den Einzelteilen Namen.
1 = Antriebswelle; 2 = Mitnehmernabe; 3 = Lamellen mit Bremsbelägen; 4 = Magnet; 5 = Spule;
6 = Druckring; 7 = Außenlamelle; 8 = Stützscheibe; 9 = Stiftschraube; 10 = Deckel;
11 = Blechkappe; 12 = Passfeder; 13 = Rillenkugellager; 14 = Sicherungsring; 15 = Distanzring;
16 = Sechskantmutter; 17 = Zylinderschraube; 18 = Druckfeder
2. Wie viele Innen- und Außenlamellen hat die Bremse? 3 Innenlamellen mit je zwei Bremsbelägen, 2 Außenlamellen.
3. Bauteile Anzahl: Teil 18 ist 8 Mal vorhanden, die Teile 9 und 17 sind jeweils 4 Mal vorhanden.
4. Die beiden Bauteile 13 haben außer ihrer Typen- und Größenangabe das Zusatzzeichen Z. Was bedeutet es? Z bezeichnet in Radialkugellagern eine einseitige Blechdeckscheibe mit Spaltdichtung.
b)
1. Wie funktioniert die Bremse? Im Ruhezustand ist die Bremse durch Federdruck geschlossen; die Antriebswelle 1 ist abgebremst. Gelüftet wird die Bremse elektromagnetisch.
2. Welche Bauteile bewirken das Schließen der Bremse? Die Federn 18 und der Druckring 6.
3. Welche Bauteile bewirken das Öffnen der Bremse? Legt man die Spule an Spannung, dann wird der Magnetring magnetisch und zieht den Druckring nach rechts zurück.
4. Welle 1 dreht: Welche Bauteile drehen mit? Teile 2 und 3 sowie die Innenringe von 13.
5. Welche Bauteile stehen immer? Alle mit dem Magnetring und über die Stiftschraube 9 verbundenen Teile.

