Gesamtzeichnung: Lamellenbremse (1) 14.04.2014, 10:52
Eine elektromagnetisch lüftbare Lamellenbremse ist als unvollständige Entwurfszeichnung gegeben. Mit entsprechenden Informationen soll daraus eine komplette Gesamtzeichnung entstehen.
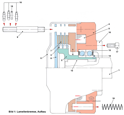
Lamellenbremse
Mit Hilfe der folgenden Angaben soll eine elektromagnetisch lüftbare Lamellenbremse gezeichnet werden.
In Bild 1 ist die Bremse in zum Teil unvollständigen Umrissen dargestellt.
Wesentliche Einzelbauteile sind
1: Antriebswelle
2: Mitnehmernabe
3 und 7: Lamellen mit Bremsbelägen
4: Magnet mit Spule 5
6: Druckring
18: Druckfeder
Überlegungen und Aufgaben zu
a) Aufbau
b) Funktion
c) Zeichnerische Darstellung
a)
1. Geben Sie den Einzelteilen Namen.
2. Wie viele Innen- und Außenlamellen hat die Bremse?
3. Bauteile Anzahl: Teil 18 ist 8 Mal vorhanden, die Teile 9 und 17 sind jeweils 4 Mal vorhanden.
4. Die beiden Bauteile 13 (DIN 625) haben außer ihrer Typen- und Größenangabe das Zusatzzeichen Z. Was bedeutet es?
b)
1. Wie funktioniert die Bremse?
2. Welche Bauteile bewirken das Schließen der Bremse?
3. Welche Bauteile bewirken das Öffnen der Bremse?
4. Welle 1 dreht: Welche Bauteile drehen mit?
5. Welche Bauteile stehen immer?
c) Bild 2
Drucken Sie die Entwurfszeichnung Bild 2 aus und zeichnen Sie die Lamellenbremse normgerecht.
Informationen und Aufgaben dazu:
- Teil 9 hindert die Teile 6, 7 und 8 daran, zu drehen.
- Teil 9 wird in Teil 4 eingeschraubt. In Teil 4 ist eine senkrechte Linie eingezeichnet. Sie stellt den Anschlag für den glatten Durchmesser von Teil 9 dar.
- Zeichnen Sie die Gewindebohrungen für die Teile 9 und 17 lang genug.
- Die Umgebung der Passfeder soll – wie vorgegeben – im Teilschnitt dargestellt werden.
- Die Muttern 16 halten die Teile 8 und 11 auf Abstand. Unter die linke Mutter kommt eine Scheibe (sie ist in Bild 1 nicht angegeben). Reihenfolge von links: Mutter mit Unterlegscheibe – – Blechkappe 11 – Distanzring – Mutter – Stützscheibe 8 – Mutter. Kappe und Stützscheibe sind fest eingespannt.
Als weitere Aufgaben wären denkbar:
- Einzelteile wie etwa Teil 2 herauszeichnen und bemaßen
- Einen Montageplan für die Lamellenbremse erstellen.

