Hydraulische Antriebe (5): Grundschaltungen (2) 10.04.2011, 15:35
Bei der Verwendung von Stromregelventilen bleiben der Volumenstrom und damit die Geschwindigkeit des Kolbens unabhängig von der Belastung des Kolbens konstant. Wie ein Stromregelventil funktioniert und ein Schaltplan dazu.
Hydraulische Antriebe (5):
Stromregelventile
Drosselventile
Stromventile ändern Volumenströme. Damit kann man bespielsweise die Geschwindigkeit eines Kolbens oder die Drehzahl eines Hydromotors verstellen. Man unterscheidet Drosselventile und Stromregelventile.
Drosselventile
Treten an einem Arbeitszylinder während des Kolbenhubs unterschiedliche Kräfte auf, dann ändert sich am Drosselventil die Druckdifferenz zwischen Öleintritt und Ölaustritt mit der Folge, dass sich auch die Durchflussmenge und damit die Kolbengeschwindigkeit verändert. Solche Geschwindigkeitsänderungen sind im Betrieb oft nicht hinnehmbar.
Stromregelventile
Im Gegensatz zum Drosselventil halten Stromregelventile bei Belastungsänderungen den Volumenstrom konstant.
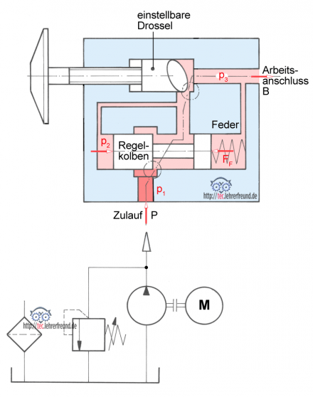
Aufbau:
Die Hauptbauteile eines 2-Wege-Stromregelventils sind der Regelkolben, die Feder und eine verstellbare Drossel. Der Drosselspalt oben ist für die Größe des Volumenstroms zuständig. Das Stromregelventil hält die Druckdifferenz an der Drossel unabhängig von den Drücken an den Anschlüssen P und B konstant. Damit fließt immer derselbe Volumenstrom.
Beispiel: Der Druck am Arbeitsanschluss B sinkt:
Bei gleich bleibendem Druck p1 würde mehr Öl durch das Ventil fließen. Der kleinere Druck p3 lässt auch p2 sinken: Die auf die linke Seite des Regelkolbens wirkende Kraft wird kleiner. Der Regelkolben bewegt sich nach links. Der Drosselspalt am Regelkolben wird größer; p2 sinkt, bis an der oberen Drossel wieder die gleiche Druckdifferenz p3 - p2 von zuvor herrscht. Auf diese Weise wirkt der Regelkolben als »Druckwaage«. Die Größe des Volumenstroms wird durch Verändern des Drosselquerschnitts oben festgelegt.
Bei Stromregelventilen bleiben der Volumenstrom und damit die Geschwindigkeit des Kolbens unabhängig von der Belastung des Kolbens konstant.
Schaltplan mit Stromregelventil
Doppelt wirkender Arbeitszylinder: Der Schaltplan oben zeigt die Steuerung der Ausfahrgeschwindigkeit der Kolbenstange bei der Verwendung eines 2-Wege-Stromregelventils.
Das Stromregelventil ist in den Zulauf zum Hydrozylinders geschaltet. Es arbeitet mit dem Druckbegrenzungsventil zusammen: Von dem von der Pumpe geförderten Öl Förderstrom fließt ein Teil über das Druckbegrenzungsventil in den Tank ab. Der restliche Förderstrom fließt über das in der Schaltstellung »links« stehende 4/3-Wegeventil durch das Stromregelventil zum kolbenseitigen Raum des Arbeitszylinders.
Beim Einfahren der Kolbenstange öffnet das Rückschlagventil und das Öl von der Kolbenseite umgeht das Stromregelventil.
Eine solche Anordnung des Stromregelventils wird als Primärsteuerung bezeichnet. Bei der Sekundärsteuerung liegt das Stromregelventil im Rücklauf des Arbeitszylinders.
Grundsätzliches zum Thema siehe auch »Hydraulische Antriebe: Grundaufbau« und Hydrauliksymbole.
Im Beitrag »Tipps für Lehrer« finden Sie Vorschläge zur schulischen Behandlung von Grundschaltungen.
Weitere Beiträge dazu:
- Schaltungen mit 3/2- und 3/3-Wegeventilen
- Schaltung mit entsperrbarem Rückschlagventil (in Vorbereitung)
Die Berechnung von Kolbenkräften finden Sie unter Hydraulik (1): Kolbenkräfte
Die Berechnung von Kolbengeschwindigkeiten finden Sie unter Hydraulik (3): Durchflussgeschwindigkeit

