Hydraulische Antriebe (6): Grundschaltungen (3) 20.05.2011, 11:32
Entsperrbare Rückschlagventile können im Gegensatz zu einfachen Rückschlagventilen das Öl auch in Sperrrichtung durchlassen. Das Fließen in Sperrrichtung erfordert ein zusätzliches Steuerungssystem. Wir studieren es an einem Schaltplan und einer Schnittzeichnung des Ventils.
Hydraulische Antriebe (6):
Entsperrbare Rückschlagventile
Im tec.LEHRERFREUND-Beitrag »Hydraulische Antriebe (3): Hydraulikelemente in Symboldarstellung (2)« haben wir es bereits angedeutet: Ein entsperrbares Rückschlagventil kann im Gegensatz zum einfachen Rückschlagventil das Öl auch in Sperrrichtung durchlassen. Das Fließen in Sperrrichtung erfordert ein zusätzliches Steuerungssystem.
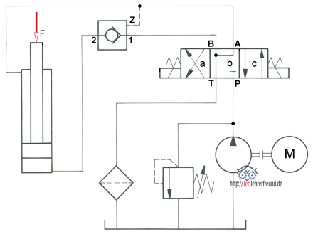
Mithilfe des Schaltplans beschreiben wir hier die Funktionsweise eines entsperrbaren Rückschlagventils.
Absenken der Last:
Wegeventilstellung c: Die Pumpe fördert von P über A Öl in den Kolbenstangenraum, aber: Das Öl auf der Kolbenseite kann wegen der Sperrposition des Rückschlagventils nicht entweichen. Auf der Kolbenstangenseite steigt der Druck so lange an, bis die Kugel über die Steuerleitung Z aufgedrückt wird; das Ventil ist entsperrt. Jetzt kann das Öl von der Kolbenseite über B und T in den Tank strömen.
Beim Absenken der Last ist ein spezielles Problem denkbar: Senkt sich die Kolbenstange unter der nach unten drückenden Last F schneller ab als der Kolbenstangenraum mit Öl gefüllt wird, fällt der Druck auf der Kolbenstangenseite. Der Druckabfall pflanzt sich nach Z fort und das Rückschlagventil schließt. In der Folge baut sich kolbenstangenseitig - wie bereits oben beschrieben - wieder ein Druck auf, der das Ventil entsperrt. Bei mehrfacher Wiederholung dieses Effekts könnten durch das dauernde Öffnen und Schließen Schläge entstehen. Abhilfe: Eine in der Steuerleitung eingebaute Drossel dämpft die Schläge, so dass die Anlage ohne Schwierigkeiten weiterarbeitet.
Wie funktioniert die Entsperrung?
Das Bild zeigt ein entsperrbares Rückschlagventil als Schnittzeichnung. Die Kugel wird dabei durch die untere Feder auf den Ventilsitz gedrückt. Diese Sitzkonstruktion ist leckagefrei. Der Druck bei 1 verschiebt die Kugel nach unten und das Öl strömt von 1 nach 2.
Entsperrvorgang: Bei einem genügend hohen Druck am Anschluss Z bewegt sich der obere Kolben nach unten. Der mit dem Kolben verbundene Stift drückt die Kugel vom Ventilsitz weg; Öl kann von 2 nach 1 strömen.
Weil der Druck am Anschluss 1 gegen das von Z kommende Drucköl und damit gegen die Entsperrung wirkt, muss vor der hydraulischen Entsperrung der Anschluss 2 drucklos werden. Lösung: Anschluss 1 erhält eine Verbindung mit dem unter Außenluftdruck stehenden Tank (siehe Schaltplan, WV-Stellung b).
Grundsätzliches zum Thema siehe auch »Hydraulische Antriebe: Grundaufbau«

