Bohrmaschinen-Ständer (2): Lösung der Kräfte-Aufgaben 19.01.2012, 15:31
Bohrmaschinen-Ständer: Die auf den Vorschubhebel und die Führungsgabel wirkenden Kräfte werden mit Hilfe der Gleichgewichtsbedingungen ermittelt. Mit Skizzen für Arbeitsblätter.

Aufgabe 1.
Vorschubhebel:
FL und FK berechnen.
Wir wiederholen die Lösungsschritte:
- Sich über die Funktion der Baugruppe klar werden
- Den als Aufgabe gestellten Körper freimachen
- Das geeignete Kräfteverfahren wählen
- Die Aufgabe lösen
Funktion
Mit dem Klemmring wird die Bohrmaschinenhöhe eingestellt. Auf dem Klemmring stützt sich die Druckfeder ab und drückt die Führungsgabel nach oben, bis sie von unten her am Klemmring anschlägt.
Der Klemmring ist gleichzeitig Lager für den Vorschubhebel. Wird gebohrt, d. h. der Vorschubhebel nach unten bewegt, drückt er über die Lasche die Führungsgabel und damit die Bohrmaschine nach unten.
Vorschubhebel freimachen

Der unter 25° geneigte Vorschubhebel wird beim Bohren mit der Handkraft FH nach unten gedrückt; FH ist nach Betrag und Richtung bekannt. Die Laschenkraft FL ist nach ihrer Richtung bekannt: Die Lasche ist ein Zweigelenkstab, der nur in seiner Achse Kräfte übertragen kann. K ist ein zweiwertiges Lager, über das man sonst nichts weiß. Deshalb tragen wir die x- und die y-Komponente ein.
Kleine Skizze: Über die Richtung von FK können wir uns Klarheit verschaffen, wenn wir den Regeln zum 3-Kräftesystem folgen: Bringen wir die Kräfte FH und FL, deren Wirklinien ja bekannt sind, zum Schnitt in P1, dann muss auch die Lagerkraft FK durch den Punkt P1 gehen (Erläuterungen dazu im Beitrag »Kräfte: Unbekannte Kräfte zeichnerisch ermitteln (1)«).
Berechnungen
Gleichgewichtsbedingungen
ΣFx = 0 = - FHx + FKx –> FKx = FHx
Nebenrechnung: sin α = FHx : FH –> FHx = FH ∙ sin α = 90 N ∙ 0,423 = 38,0 N
FKx = FHx = 38,0 N
cos α = FHy : FH –> FHy = FH ∙ cos 25° = 81,6 N
ΣFy = 0 = - FHy + FL - FKy –> FL über Gleichgewichtsbedingung ΣM(K) = 0 berechnen
ΣM(K) = 0 = FLy ∙ l2 - FH ∙ (l1 + l2)
FL ∙ cos α ∙ l2 - FH ∙ (l1 + l2)
FL = FH ∙ (l1 + l2) : (cos α ∙ l2) = 90 N ∙ 360 mm : (0,906 ∙ 80 mm)
FL = 447 N
ΣFy = 0 = - FHy + FL - FKy –>
FKy = FL - FHy = 447 N - 81,6 N = 365,4 N
FK = √FKx2 + FKy2 = √38,02 N2 + 365,42 N2 =
FK = 367,4 N
sin β = FKx : FK = 38,0 N : 367,4 N = 0,103 –> β = 6° 12´
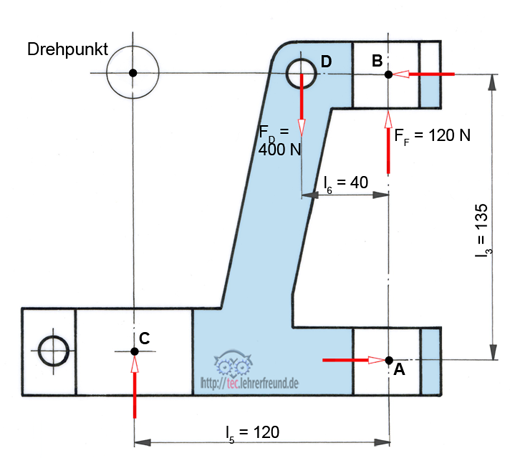
Aufgabe 2.
Führungsgabel:

Gegeben: FD = 400 N (in Aufgabe 1. ist FD = FL = 447 N)
Berechnen: FA, FB, und FC (= FV)
Berechnen: FA, FB, und FC (= FV)
Die Wirkungslinien der unbekannten Kräfte FA und FB verlaufen waagerecht, weil die Berührungsflächen zwischen Führungssäule und Führungsgabel senkrecht liegen. Dass von der Säule in y-Richtung keine Kräfte übertragen werden, erkennt man daran, dass sich die Führungsgabel auf der Säule ungehindert senkrecht bewegen kann.
Welcher Drehpunkt ist günstig?
Man wählt den Drehpunkt möglichst so, dass er im Schnittpunkt der Wirklinien von unbekannten Kräften liegt. Dieser Punkt wird als Drehpunkt gekennzeichnet. Dann werden Drehmomente der betreffenden Kräfte zu Null, weil die Hebelarme = 0 sind.
Mögliche Schnittpunkte sind: FC mit FA oder FC mit FB. Wir wählen den Schnittpunkt von FC mit FB als Drehpunkt.
Freigemachte Führungsgabel:
- FD und die Federkraft FF sind gegeben.
- FA, FB und FC: Die Wirklinien sind gegeben.
Lösungsvorschlag:
ΣM(BC) = 0 = - FF ∙ l5 - FA ∙ l3 + FD ∙ l6
FA ∙ l3 = FD ∙ l6 - FF ∙ l5
FA = (FD ∙ l6 - FF ∙ l5) : l3
FA = (400 N ∙ 80 mm - 120 N ∙ 120 mm) : 135 mm
FA = 130,37 N
ΣFx = 0 = - FB + FA –> FB = FA =
FA = 130,37 N
ΣFy = 0 = FC - FD –> FC =
FC = 400 N
_____________________
Die Skizzen unten sind für die Verwendung in Arbeitsblättern gedacht.

