Kegelradgetriebe (2) 02.12.2008, 10:05
Unser Kegelradgetriebe bietet Gelegenheiten für diverse Übungen in Technologie, Technischer Mathematik und Technischem Zeichnen.
Übungen
Wir vertiefen das Kegelradgetriebe mit Übungen.
Technologie
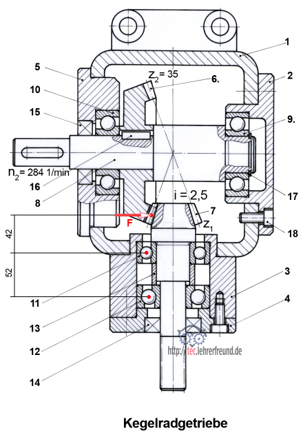
1. Welche Wälzlagerarten werden im Getriebe verwendet?
2. Teil 7 soll oberflächengehärtet werden. Wählen Sie einen geeigneten Werkstoff.
3. Wie wird am Teil 7 die Verdrehsicherung des antreibenden Bauteils gewährleistet?
Technische Mathematik
1. Berechnen Sie die Antriebsdrehzahl
2. Berechnen Sie die Zähnezahl des Ritzels
3. Berechnen Sie die die radialen Lagerbelastungen in Lager 11 und 12, wenn die Zahndruckkraft F = 980 N ist. Fertigen Sie zuvor eine einfache Skizze mit Kräften und Abständen an.
4. Der Gehäuseboden hat eine Auflagefläche von 80 cm2. Berechnen Sie die Flächenpressung, wenn jede der vier Schrauben mit 1000 N festgezogen wird.
5. Welche Kraft wäre zum Verschieben des Gehäuses nötig, wenn man ein µ = 0,2 voraussetzt?
Technisches Zeichnen
1. Benennen Sie die Bauteile Pos. 1 bis 18
2. Machen Sie einen Vorschlag für die Außenform des Teils 3 (Gussteil, Ansicht in Achsrichtung). Sie soll insbesondere zeigen, wie das Teil am Gehäuse befestigt wird.
3. Zeichnen Sie Teil 3 normgerecht.
_______________
Lösungen
Technologie
1. Lager 9 = Radialrillenkugellager
Lager 10 = Schrägkugellager
Lager 11 = Radialrillenkugellager
Lager 12 = Schrägkugellager
2. Z. B. Einsatzstahl 16 Mn Cr 5
3. Durch eine Passverzahnung mit Kerbflanken (DIN 5481)
Technische Mathematik
1. n1 = n2 • i = 284 1/min • 2,5 = 710 1/min
2. z1 = z2 : i = 35 Zähne : 2,5 = 14 Zähne
3. Mlinks = Mrechts
FA • lA = F • lB –> FA = 791,5 N; FB = 1 771,5 N

4. p = Fges : A = 4000 N : 80 cm2 = 50 N/cm2
5. FR = 0,2 • 4000 N = 800 N
Technisches Zeichnen
1.
1 = Getriebgehäuse
2 = Deckel
3 = Lagerhals
4 = Deckel
5 = Lagerdeckel
6 = Tellerrad
7 = Ritzelwelle
8 = Tellerradwelle
9 = Radialrillenkugellager
10 = Schrägkugellager
11 = Radialrillenkugellager
12 = Schrägkugellager
13 = Distanzhülse
14 = Radialdichtring
15 = Radialdichtring
16 = Passfeder
17 = Sicherungsring
18 = Zylinderschraube mit Innensechskant
2. Das Gussteil erlaubt eine komplizierte Formgestaltung. So kann man die drei Bohrungen nach innen legen und ihre Umgebung als Nischen gestalten (Maß R). Der Lagerhals besäße dafür genügend »Fleisch« (Maß s).
3. Anmerkung: Die drei Ohren des Lagerhalses brauchen am Gehäuse eine entsprechende erhöhte Gegenform. Sie ist in der Gesamtzeichnung noch nicht berücksichtigt.


