Mitlaufende Körnerspitze (1) 15.03.2017, 05:30
Der Reitstock als Gegenhalter-Einrichtung beim Drehen von Bauteilen nimmt die Pinole zusammen mit einer festen oder mitlaufenden Zentrierspitze auf. Im folgenden Beitrag sehen wir uns die Konstruktion einer mitlaufenden Zentrierspitze näher an.
Mitlaufende Körnerspitze, Zeichenübung
Drehmaschine: Der Reitstock dient als Gegenhalter-Einrichtung beim Drehen von Bauteilen. Er nimmt die Zentrierspitze (auch Körnerspitze) auf, die vom laufenden Bauteil in Drehung versetzt wird. Auch als Werkzeugaufnahme wird der Reitstock genutzt.

Ziel der Übung: Wir sollen die Gesamtzeichnung einer mitlaufenden Körnerspitze herstellen. Im folgenden Text erhalten Sie Informationen zu der Konstruktion.
Die mitlaufende Spitze ist in einem Gehäuse gelagert. Die Skizze oben zeigt die verwendeten Bauteile:
• Das mitlaufende Teil ruht in drei Lagern: Kegelrollenlager, Axial-Rillenkugellager, Nadellager.
• Eine Lochmutter spannt die vorderen beiden Wälzlager ein (Festlager), das Nadellager nimmt eine eventuelle Wärmedehnung der mitlaufenden Spitze auf (Loslager). Sein Außenring wird im Gehäuse achsial von einem Sicherungsring gehalten.
• Die Lochmutter wird von einem Gewindestift gegen Verdrehen gesichert.
Im Beitrag Mitlaufende Körnerspitze (2) finden Sie eine bemaßte Zeichnung des Gehäuses.
Einzelheiten der Lager, des Sicherungsrings und des Gewindestifts entnehmen Sie dem Tabellenbuch oder Sie suchen sie im Internet.
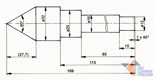
Zentrierspitze
Aus der bemaßten Zeichnung unten können Sie wichtige Maße für die verwendeten Einzelteile entnehmen.
Übung 1:
Zeichnen Sie die im Halbschnitt oben angegebenen Teile gut erkennbar in die Skizze unten ein:
– ø32: Innenø Kegelrollenlager
– ø25: Innenø Axial-Rillenkugellager
– ø12: Innenø Nadellager
Skizzieren Sie Distanzdeckel und Lochmutter nach eigenem Ermessen.
In einem weiteren Beitrag fertigen wir eine präzise Zeichnung an.
Lösungsvorschlag Übung 1
Die Freihand-Gesamtzeichnung der mitlaufenden Körnerspitze



