Mitlaufende Körnerspitze (2) 31.03.2017, 06:00
Der Reitstock als Gegenhalter-Einrichtung beim Drehen von Bauteilen nimmt die Pinole zusammen mit einer festen oder mitlaufenden Zentrierspitze auf. Im folgenden Beitrag zeichnen wir eine mitlaufende Zentrierspitze im Maßstab 1:1.
Mitlaufende Zentrierspitze
Werden auf Drehmaschinen lange, schlanke Werkstücke bearbeitet, dann verwendet man oft Zentrierspitzen, um eine Durchbiegung des Werkstücks durch die Schneidkräfte zu vermeiden. Zu Beginn der Bearbeitung wird in das Werkstück mit einem Zentrierbohrer eine Senkung mittig eingebracht. Anschließend wird nach Umspannen des Werkstücks die Zentrierspitze als Gegenlager eingelassen. Ein Morsekegel (Abk. MK) hält die Zentrierspitze drehstarr im Reitstock fest.
Mitlaufende Zentrierspitzen sind durch eine Wälzlagerung entkoppelt und erlauben hohe Drehzahlen.
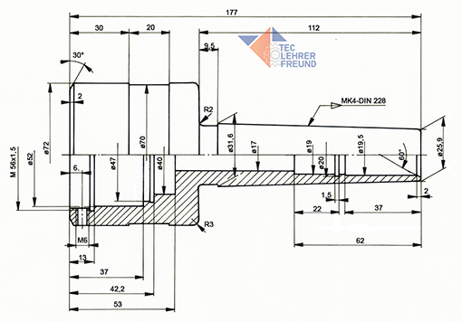
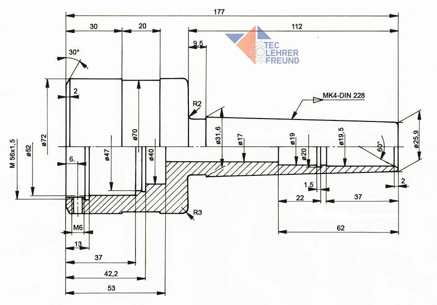
Unsere Aufgabe: Wir zeichnen eine komplette mitlaufende Zentrierspitze mit allen ihren Einzelteilen. Hierfür soll das bemaßte Gehäuse unten verwendet werden. Es ist im Halbschnitt dargestellt.
Zeichenschritte:
– Zeichnen Sie die innen liegenden Bauteile immer zuerst. Hier wäre es die unten dargestellte und bemaßte Zentrierspitze 2.
– An der Schulter des ø32 liegt das Kegelrollenlager 6 an; zusammen mit dem Axial-Rillenkugellager 7 bildet es eine Einheit.
– Jetzt kann man das Gehäuse zeichnen, das mit der rechten Lagerscheibe des Axial-Rillenkugellagers 7 (ø47) Kontakt hat.
– Die weitere Zeichenreihenfolge kann nach Belieben gewählt werden.
Beschreibung der einzelnen Bauteile:
1 Gehäuse
2 Zentrierspitze
3 Distanzdeckel mit Sicherungsring DIN 472
4 Lochmutter
5 Gewindestift M6
6 Kegelrollenlager 30205
7 Axial-Rillenkugellager 51205
8 Nadellager ohne Innenring NK 12/12
3 Distanzdeckel: Außendurchmesser 19; 9 mm lang. Innendurchmesser 17.
4 Lochmutter: Außengewinde M 56x1,5, 12 lang. Innendurchmesser 33. Zwei Sackbohrungen ø5,5 mm, 5 mm tief. Diese Bohrungen etwa mittig zwischen Bohrung 33 und Außendurchmesser positionieren. Sie dienen zum Hinein- und Herausdrehen der Mutter mit einem speziellen Axialzapfenschlüssel.
Anmerkung zu den Zeichnungen
In der Bemaßung wurde auf Toleranzen, sowei auf Passungs- und Oberflächenangaben verzichtet.


