Sich wiederholende Formelemente bemaßen 20.12.2014, 07:32
Wenn es an einem Bauteil sich wiederholende Formen gibt, könnte eine reguläre Bemaßung aller Elemente die Zeichnung schnell überladen. Dann ist es besser, mit Vereinfachungen zu arbeiten.
Sich wiederholende Formelemente bemaßen
Wenn es an einem Bauteil sich wiederholende Formen gibt, sind in der Bemaßung Vereinfachungen zulässig.
Beispiel Teilungen
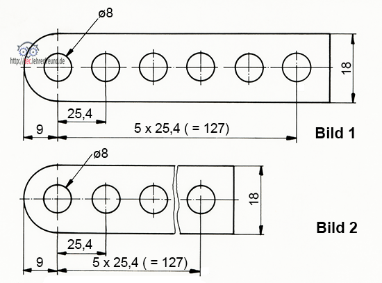
Bei Bauteilen, die gleiche Formelemente mit gleichen Teilungen aufweisen, werden die Längen- und Winkelmaße wie in den Bildern 1 bis 5 bemaßt.

Dabei muss die Anzahl der Formelemente entweder zeichnerisch dargestellt (Bild 1) oder per Bemaßung angegeben werden, z. B. Bild 2. Darüber hinaus muss zusätzlich zum Teilungs- bzw. Winkelteilungsmaß das Produkt aus der Anzahl der Teilungen und dem Teilungsmaß sowie das Ergebnis des Produkts in Klammern kenntlich gemacht werden (Bilder 1 bis 5).

Gleiche, sich wiederholende Formelemente werden nur einmal dargestellt und bemaßt wie in Bild 4 (Schlitz mit abschließender Bohrung). Die übrigen Formelemente werden dann vereinfacht gezeichnet und z. B. durch Mittellinien angedeutet.
Sind bei Kreisteilungen die Formelemente am Umfang oder am Lochkreis gleichmäßig verteilt, so darf die Anzahl gleicher Formelemente über eine Hinweislinie mit angeschlossener Bezugslinie angegeben werden (Bild 5).
Das Bild 5, ein Ringflansch mit Seitenansichten, zeigt mögliche Maßeintragungen von gleichmäßig auf Lochkreisen verteilten Bohrungen gleicher Größe.
Zusammenfassung für die Bemaßung von Teilungen
– Als Teilung gelten mehrere aufeinander folgende gleiche Abstände, die auf einer Geraden oder auf einem Kreis oder Kreisbogen liegen. Die vereinfachte Bemaßung als Maßkette ist nur bei gleichen Teilen und gleichen geometrischen Elementen (z. B. Bohrungen gleicher Durchmesser, Durchbrüche oder Aufschnitte mit gleichen Abmessungen) erlaubt.
– In der Draufsicht ist die Angabe der Teilungswinkel nicht notwendig bei zwei, vier oder acht Bohrungen, die gleichmäßig auf dem Lochkreis verteilt sind.
– Bei Dreiecksformen kann die Winkelangabe entfallen. Wenn Zweifel über die Winkelgröße ausgeschlossen sind, liegen die Bohrungen im Winkel von 120° zueinander.
– Bei gleichen Teilungen auf einem Lochkreisdurchmesser oder einer Geraden kann vereinfacht bemaßt werden. Dabei wird jeweils nur das geometrische Element vollständig bemaßt, das als Bezugselement für alle weiteren Angaben dient. Die Anzahl der gleichen Abstände wird durch die Angabe z. B. 4 x 15° (= 60°) kenntlich gemacht. Bei einem großen Gesamtwinkel, bezogen auf einen Vollkreis, darf die Maßlinie abgebrochen werden.