Zeichenübung: Bauteile in drei Ansichten (2) 23.01.2013, 05:33
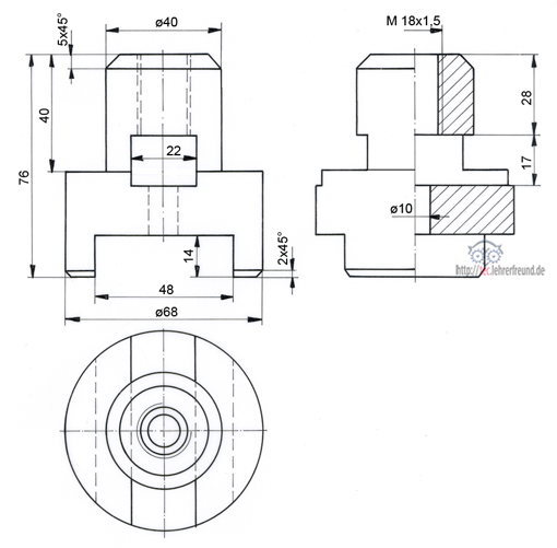
Zwei Übungen zu »Zylindrische Werkstückformen, Durchdringungen, Gewinde, Halbschnitt«. Hier die Lösungen.
Vorausgehender Beitrag: Zeichenübung: Bauteile in drei Ansichten (1)

Lösungen
1. Technische Zeichnung Stopfen

2. Technische Zeichnung Haltefuß
