Deutsch im technischen Unterricht (3): Sprachliche Eigenheiten 29.08.2015, 05:58
In der Reihe »Wege zu gutem Deutsch im technischen Unterricht« geht der tec. LEHRERFREUND der Frage nach, welche Rollen in Präsentationen die zeitliche Darstellung spielt (Gegenwart, Vergangenheit), ob die Nennung einer Person wichtig ist, und – ob man das Aktiv (Tatwort) oder das Passiv (Leideform) wählen soll. Mit Sprachbeispielen, die eine Lamellenbremse zum Gegenstand haben.
3. Wortschatz im technischen Unterricht: Sprachliche Eigenheiten
| Wir gehen der Frage nach, welche Rolle in Schülervorträgen die Zeit spielt (Gegenwart, Vergangenheit), ob die Nennung einer Person wichtig ist, und – ob man das Aktiv (Tatwort) oder das Passiv (Leideform) wählen soll. Die zu beschreibende Baugruppe ist eine Lamellenbremse. |
Weil ein technischer Vorgang oder ein Experiment in den meisten Fällen unabhängig von Zeit und Person ist, werden Vorträge meist in der Gegenwart entworfen. Aber: Soll man für einen Text die persönliche oder die unpersönliche Darstellung wählen?
Wenn jemand ein Experiment oder eine Konstruktion beschreibt, dann geht es um die Sache und weniger um den Menschen, der sich gerade mit der Sache beschäftigt. »Wir«, »ich« oder ein Name bleiben am besten außen vor; wir beschreiben den Vorgang in unpersönlicher Form. Deshalb taucht hier regelmäßig das Pronomen »man« auf. Es ist neutral und erleichtert es Anderen, sich an dasselbe Experiment zu wagen, denn sie müssen sich nicht an einer Person messen lassen, die sie vielleicht gar nicht kennen.
Allerdings ist die unpersönliche Darstellung für viele, zumal für Auszubildende mit Migrationshintergrund, sprachlich nicht einfach; sie sollten deshalb die Möglichkeit erhalten, sie im Unterricht zu üben. Hier einige typische Formen der unpersönlichen Darstellung (die man natürlich nicht in jedem Vortrag verwenden muss).
A man
Satzbeispiel: Setzt man diese Größe ein, dann erhält man eine einfachere Gleichung.
Man erkennt leicht, dass ...
B Passiv
Bei Darstellungen im Passiv bleibt der »Täter« ungenannt:
Die Schrauben werden vorgespannt – den Vorspanner lernen wir nicht kennen.
Der Hebel wird nach oben bewegt – wer ihn bewegt, erfahren wir nicht.
Allerdings: Weil die Form des Verbs bewegen im Passiv umständlicher ist – der Hebel wird bewegt – büßt der Satz etwas an Klarheit ein. Beispiel »erwärmen, biegen«: Der Kontakt wird erwärmt und der Bimetallstreifen wird nach unten gebogen.
Besser: Der Kontakt erwärmt sich und der Bimetallstreifen biegt sich nach unten.
C Eine Sache kann, könnte ... + Infinitiv (= Grundform) im Passiv
Es kann dadurch Zeit gewonnen werden, dass man...
Die Mechanik könnte vereinfacht werden, wenn man ...
D Es ist + Infinitiv mit „zu“ + Objektsatz
Es ist nicht zu bestreiten, dass die Lösung mit einer Feder einfacher wäre.
E sich lassen ... + Infinitiv
Das Wälzlager lässt sich leichter aufziehen, wenn man ...
F Adjektive mit „-bar“
Anstatt: Stahl hält länger als Kunststoff: Stahl ist haltbarer als Kunststoff.
G „zu“ + Infinitiv + Subjekt
Zu schleifen ist eine zylindrische Fläche ...
Zusammenhänge beschreiben
In Schülervorträgen oder Präsentationen stellt sich die Aufgabe, Zweck, Aufbau und Funktionsweise technischer Systeme zu erläutern. Oft sind auch Arbeitsschritte darzustellen oder es ist eine bestimmte Auswahl zu begründen.
Wie solche Sprachformen angewendet werden können, zeigen wir am folgenden Beispiel einer Lamellenbremse.

Bild 2:
Die Aufgabe lautet:
Stellen Sie Ihren Mitschülern die Lamellenbremse vor. Zeitrahmen 30 Minuten.
(Wir erinnern an den möglichen Aufbau eines Vortrags:
1. Den Aufbau der Vorrichtung mit Bauteilen vorstellen
2. Die Funktion der Vorrichtung erklären, hier
– Kräfte erklären
– mechanische Beanspruchung der Einzelteile erläutern
3. System mit Berechnungen, eventuell mit Zeichnungen vertiefen.
Wir versuchen, eine ähnliche Struktur für die Lamellenbremse zu übernehmen.)
Klären Sie in Ihrem Vortrag folgende Fragen:
a) Welche Darstellungsweise wurde für die Zeichnung gewählt?
b) Wie ist die Lamellenbremse aufgebaut?
c) Welche Aufgabe hat die Lamellenbremse?
d) Wie funktioniert die Lamellenbremse?
Berücksichtigen Sie dabei im Unterricht vermittelte sprachliche Darstellungsformen.
Wie in allen technischen Konstruktionen spielen immer auch die verwendeten Werkstoffe eine wichtige Rolle. Hier wären die Lamellen mit Bremsbelägen herauszuheben; in der Präsentation können sie aus Zeitgründen nur am Rande behandelt werden.
So könnte der Vortrag gestaltet werden
a) Welche Darstellungsweise wurde für die Zeichnung gewählt?
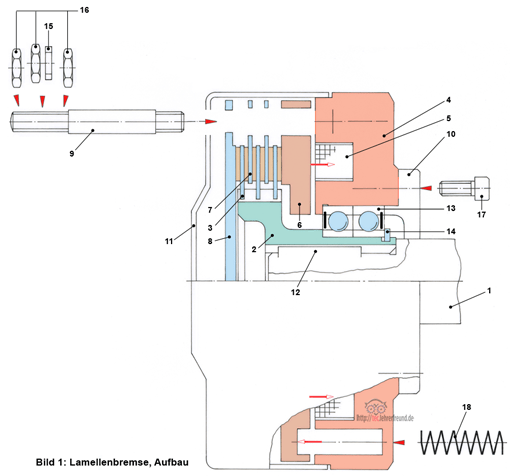
Die beiden Zeichnungen zeigen dieselbe Kupplung. In der oberen Zeichnung – sie ist Teil eines Arbeitsblatts – sind die Einzelteile nummeriert.
Die Lamellenbremse ist ein zylindrisches Bauteil. Auch alle innen liegenden Einzelteile sind zylindrisch. Die Lamellenbremse wurde in der Seitenansicht gezeichnet, die nur in ihrer oberen Hälfte geschnitten ist; dies ist ein so genannter Halbschnitt. Der größte Teil der unteren Hälfte ist als Außenansicht dargestellt. Teil 4, der Magnet, ist am Maschinenrahmen befestigt; die Zeichnung zeigt den Befestigungsmechanismus nicht.
Im gezeichneten Zustand ist die Antriebswelle 1 abgebremst, dreht sich also nicht.
Kann jemand erklären, warum sie sich nicht dreht?
(Antwort: Der durch die Federn 18 belastete Druckring 6 drückt die Bremslamellen gegen die Stützscheibe 8. Die Innenlamellen halten die Mitnehmernabe 2 und damit die Antriebswelle in Ruhestellung.)
b) Wie ist die Lamellenbremse aufgebaut?
Die Lamellenbremse besteht aus dem feststehenden, am Maschinenrahmen befestigten Teil 4, und aus einer verdrehbaren Gruppe. Zu dieser Gruppe gehören
– die Antriebswelle 1,
– die Mitnehmernabe 2,
– die Lamellen 3 mit aufgeklebten Bremsbelägen.
Acht Federn 18 – dargestellt in der rechten unteren Ecke – drücken den Druckring 6 und die Bremslamellen gegen die Stützscheibe 8. Die Teile 2 und 3 drehen sich zusammen mit der Antriebswelle 1. Die Außenlamellen 7 sowie die Teile 6 und 8 sind über die Stiftschrauben 9 mit dem Magnet 4 fest verbunden.
c) Welche Aufgabe hat die Lamellenbremse?
Sie ermöglicht es der Antriebswelle 1, sich frei zu drehen oder stehen zu bleiben.
d) Wie funktioniert die Lamellenbremse?
Legt man eine elektrische Spannung an die Spule 5, dann wird sie magnetisch und zieht den Druckring 6 nach rechts. Das Lamellenpaket 3-7 öffnet sich (»es wird gelüftet«) und über die Mitnehmernabe 2 beginnt die Antriebswelle 1 zu drehen.
Sprachliche Analyse der Lösungen a) bis c). Wir wiederholen den Text mit von 1 bis 23 nummerierten Zeilen.
a) Welche Darstellungsweise wurde für die Zeichnung gewählt?
1 Die Lamellenbremse ist ein zylindrisches Bauteil.
2 Auch alle innen liegenden Einzelteile sind zylindrisch.
3 Die Lamellenbremse wurde in der Seitenansicht gezeichnet,
4 die nur in ihrer oberen Hälfte geschnitten ist; dies ist ein so genannter Halbschnitt.
5 Der größte Teil der unteren Hälfte ist als Außenansicht dargestellt.
6 Teil 4, der Magnet, ist am Maschinenrahmen befestigt;
7 die Zeichnung zeigt den Befestigungsmechanismus nicht.
8 Im gezeichneten Zustand ist die Antriebswelle 1 abgebremst, dreht sich also nicht.
Kann jemand erklären, warum sie sich nicht dreht?
9 (Antwort: Der durch die Federn 18 belastete Druckring 6 drückt die Bremslamellen
10 gegen die Stützscheibe 8.
11 Die Innenlamellen halten die Mitnehmernabe 2 und damit die Antriebswelle in Ruhestellung.
b) Wie ist die Lamellenbremse aufgebaut?
12 Die Lamellenbremse besteht aus dem feststehenden,
13 am Maschinenrahmen befestigten Teil 4, und aus einer verdrehbaren Gruppe.
Zu dieser Gruppe gehören
– die Antriebswelle 1,
– die Mitnehmernabe 2,
– die Lamellen 3 mit aufgeklebten Bremsbelägen.
14 Acht Federn 18 – dargestellt in der rechten unteren Ecke – drücken den
15 Druckring 6 und die Bremslamellen gegen die Stützscheibe 8.
16 Die Teile 2 und 3 drehen sich zusammen mit der Antriebswelle 1.
17 Die Außenlamellen 7 sowie die Teile 6 und 8 sind über die
18 Stiftschrauben 9 mit dem Magnet 4 fest verbunden.
c) Welche Aufgabe hat die Lamellenbremse?
19 Sie ermöglicht es der Antriebswelle 1, sich frei zu drehen oder stehen zu bleiben.
d) Wie funktioniert die Lamellenbremse?
20 Legt man eine elektrische Spannung an die Spule 5,
21 dann wird sie magnetisch und zieht den Druckring 6 nach rechts.
22 Das Lamellenpaket 3-7 öffnet sich (»es wird gelüftet«) und über die
23 Mitnehmernabe 2 beginnt die Antriebswelle 1 zu drehen.
Zeit: Mit Ausnahme der Linie 3 stehen alle Sätze in der Gegenwart.
Person: Man erfährt nichts über den Konstrukteur der Bremse.
Das Passiv wird in den Zeilen 3 und 23 verwendet, sonst das Aktiv.
Fachbegriffe. Bei manchen Begriffen ist nicht klar, ob sie wirkliche Fachbegriffe sind. Die elektrische Spannung etwa wird sehr häufig im Alltag verwendet. Wir zählen sie deshalb nicht zu den Fachbegriffen.
Nomen: Lamellenbremse, Seitenenansicht, Halbschnitt, Außenansicht, Maschinenrahmen, Befestigungsmechanismus, Antriebswelle, Druckring, Bremslamellen, Stützscheibe, Innenlamellen, Mitnehmernabe, Außenlamellen, Stiftschrauben, Lamellenpaket.
Adjektive: zylindrisch, geschnitten, abgebremst, belastet, feststehend, verdrehbar, gelüftet
Verben: In ihrer Grundform sind die zuvor genannten Adjektive Verben: schneiden (Ansicht), verbinden, abbremsen, belasten, usw.
Didaktische Überlegungen
Stellt man Sprachliches zu stark in den Vordergrund, könnte bei den Schülern der Eindruck entstehen, man versuche, ihre Sprache zu verbiegen. Das A und O einer Präsentation vor Mitschülern liegt im überlegten Aufbau, in der Verständlichkeit und Lebendigkeit des Vortrags. Diese kann man auch aufrecht erhalten, wenn man technische Fachbegriffe benutzt. Notfalls muss man sie während des Vortrags erläutern.
Die Darstellung im Passiv hat die Eigenschaft, die Lebendigkeit des Ausdrucks zu beeinträchtigen. Ein Satzbeispiel aus dem technischen Zeichnen zeigt es: Hier wurde ein einziges Bemaßungs-Chaos in Kauf genommen. Klarheit wäre geschaffen worden, wenn versucht worden wäre, die Maße konsequent von einer Bezugskante aus einzutragen.
Angenehmer klänge es so: Hier liegt ein einziges Chaos vor uns. Klarheit hätte man mit dem Versuch erhalten, die Maße konsequent von einer Bezugskante aus einzutragen.