Lernprojekt Spannvorrichtung: Aufgaben (3) 25.07.2015, 05:19
Die im Lernprojekt »Spannvorrichtung« gestellten Aufgaben zum Technischen Zeichnen werden hier beantwortet.
Lernprojekt Spannvorrichtung:
Lösung Aufgaben Technisches Zeichnen
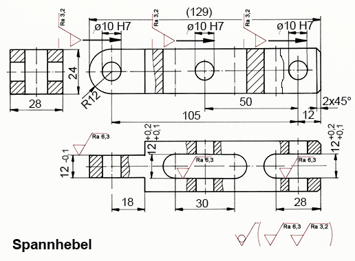
Aufgabe 1: Spannhebel 1, Bild 2
Stellen Sie eine Fertigungszeichnung des Bauteils in den erforderlichen Ansichten her. Angaben dazu:
Der Spannhebel hat einen rechteckigen Querschnitt 24 mm x 28 mm. Auf der Seite der Spannpratze ist er abgerundet mit R = 12 mm und in Längsrichtung abgefräst auf 12 mm Dicke. Länge der gefrästen Partie 18 mm, gemessen von der Bohrungsmitte. Auf der Seite des Stangenkopfs sind die Kanten ringsum 2 x 45° gebrochen.
Ein 12 mm breiter Schlitz dient der Aufnahme des Stangenkopfs; eine ebenfalls 12 mm breite Nute zwischen Schlitz und Abfräsung nimmt die Lasche auf. Quer durch Abfräsung, Nute und Schlitz gehen drei Bohrungen ø10 mm. Alle außen liegenden Kanten des Spannhebels sind mit 0,5 x 45° entgratet.
Weitere Angaben:
– Bohrungen passgenau ø10H7
– Abfräsung Dicke 12 -0,1
– Nute und Schlitz: Breite 12 + 0,1 /+ 0,2 (ob. Abmaß +0,2; unt. Abmaß +0,1). Nute und Schlitz werden mit einem Schaftfräser hergestellt, so dass halbrunde Enden entstehen.
Bearbeitung: Die Oberflächen des Rohteils bleiben unbearbeitet. Die bearbeiteten Formen Abfräsung, Nute und Schlitz erhalten einheitlich Ra 6,3, die Bohrungen Ra 3,2.
Näheres zum Umgang mit Abmaßen finden Sie im tec.LF hier.

Aufgabe 2: Spannpratze 4
Die Spannpratze ist in drei Ansichten mit Bemaßung dargestellt (Bild 4).

2.1 Tragen Sie die Maßzahlen nach folgenden Angaben ein:
Die Pratze besteht aus der unteren Platte 50 mm x 50 mm x 12 mm Gesamtdicke. Die vier vorstehenden Druckflächen messen 12 mm x 12 mm x 2 mm hoch.
Fest verbunden mit der Platte ist der Einhängeklotz mit dem Querschnitt 24 mm x 28 mm. Der Klotz ist mittig ausgefräst: 12 mm breit und 16 mm tief von der Bohrungsmitte aus gemessen. Die Querbohrung hat einen Durchmesser ø10. Die beiden Lappen erhalten Schmierbohrungen ø4 mit Ansenkungen ø7 x 45°.
Näheres zur Verwendung von Teilschnitten finden Sie im tec.LF hier und hier.
2.2 Die Spannpratze wird auf einer der Achsen 6 mit Durchmesser 10 p6 montiert, auf der sie frei pendeln können muss. Wählen Sie für die Bohrung aus den folgenden Passungsangaben die aus, die eine Spielpassung ergibt: m6, g6, r6, E8, H8, K8.
Kontrollieren Sie Ihre Angabe, indem Sie das maximale und minimale Spiel berechnen.
(Lösung: E8 ist richtig. Zusammen mit 10 p6 ergibt sich ein max. Spiel 0,025 mm, und ein min. Spiel 0,001 mm)
2.3 Zeichnen Sie die Spannpratze in isometrischer Perspektive. Beginnen Sie mit der unteren Platte und dem Einhängeklotz, wie in der Skizze Bild 3 dargestellt.

Aufgabe 3: Stangenkopf 8, Bild 5
Der Stangenkopf besteht aus Rundstahl ø20 mm, 38 mm lang. Sein oberes Ende ist kugelförmig abgedreht mit SR10. Seitlich ist der Stangenkopf flachgefräst auf 12 mm Breite. Die Flachfräsung endet 10 mm vor dem unteren Ende. Damit passt er in den hinteren Schlitz des Spannhebels 1. Im Abstand 28 mm von unten sitzt die Bohrung ø10.
Zur Befestigung auf der Kolbenstange erhält der Stangenkopf ein Innengewinde M 8x1, 12 mm lang.
Das kugelige Ende erhält eine Schmierbohrung ø4 mm mit Ansenkung ø8 x 90°. Die Kante am unteren Durchmesser 20 mm ist mit 1 x 45° gebrochen.
Zeichnen Sie den Stangenkopf 8 in Vorderansicht, Seitenansicht und Draufsicht. Bemaßen Sie ihn. Angaben zu Abmaßen und Passungen finden Sie unter Aufgabe 2, Spannhebel.

Lesen Sie im tec.LF-Beitrag die Übung Kugelkopf nach. Dort erfahren Sie
– welche Form entsteht, wenn man eine Kugel mit einer Ebene schneidet,
– wie man kugelförmige Teile bemaßt.
Aufgabe 4: Positionen des Spannhebels und der Spannpratze zeichnerisch ermitteln, wenn der Kolben des Hydraulikzylinders eingefahren ist.
Bild 1: Nach dem Entspannen des Werkstücks fährt der Kolben unter Federdruck ein. Die Mitte M1 des Spannhebels macht dabei einen Weg von 25 mm nach unten bis zur Mitte M2. Die Lasche hat einen Bohrungsabstand von 36 mm.
a) Konstruieren Sie die Position, die der Spannhebel jetzt einnimmt.
b) Zeichnen Sie die Position der Spannpratze ein. Welchen Abstand vom Werkstück hat die am tiefsten liegende Ecke der Spannpratze?

Zeichenschritte Vorschlag:
– R 3 (= Abstand M1- M3) in den Zirkel nehmen
– Von M2 aus Kreisbogen R 3 schlagen
– Um M4 Kreisbogen R 4-5 schlagen
– Abstand M1 - M5 in den Zirkel nehmen
– Um M2 Kreisbogen mit Abstand M1-M5 schlagen (= R 2-5)
– Schnittpunkt von R 2-5 und R 4-5 ist Punkt M5 neu
– Die Spannhebel-Längsachse M2 - M3 liegt auf der Linie M2 - M5 neu. Sie schneidet den Kreisbogen R3 in M3 neu.
Spannpratze
– Abstand M3 - Spannpratzenecke E (= RE) in den Zirkel nehmen
– Diesen Abstand von M3 neu aus abtragen.
– Abstand R in den Zirkel nehmen und von M3 neu aus abtragen
– Verbindungslinie E – Bogen R ergibt die Lage der Spannpratze.
– Restliche Spannpratze zeichnen.
Der gesuchte Abstand ist (herausgemessen) 19 mm.