Schienenbefestigungen (2) 10.05.2016, 06:34
Als 1835 in Deutschland die erste Dampflokomotive von Nürnberg nach Fürth fuhr, werden die Schienen noch mit Schienenstühlen und Nägeln auf den Holzschwellen fixiert worden sein. Inzwischen fahren die Züge zehnmal schneller und niemand mehr würde sich auf Nagelbefestigungen verlassen. Man ersetzte sie durch wirkungsvollere Klemmplatten und später durch Federelemente. Wir werden hier eine moderne Spannklemme zeichnen.
Schienenbefestigungen (2)
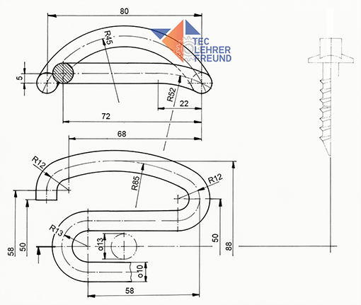
Ziel: Eine Spannklemme (Foto WIKIPEDIA) zeichnerisch darstellen.

Die räumlich in alle Richtungen gebogene Spannklemme ist kein einfaches Zeichenteil. Deshalb gehen wir bei der Darstellung in Schritten vor.
Zunächst studieren wir die Geometrie des Bauteils. Ein einfacher Draht könnte uns klar machen, dass aus dem zunächst geraden Federstab ein in der Ebene liegendes Biegeteil entsteht. Dieses ebene Gebilde wird in mehreren Schritten in die räumliche W-Form gebogen.
Wie bei allen anderen Bauteil-Zeichnungen auch benötigen wir drei Bezugsebenen, von denen aus wir bemaßen können. Eine Bezugsebene ist die Mittelschleife. Sie liegt in eingebautem Zustand parallel zur Schienensohle, damit die schaftseitige Kopffläche der Schwellenschraube satt aufliegt.

Anmerkung: Wo gebogene Teile der Spannklemme nicht parallel oder senkrecht zur Zeichenebene liegen, erscheinen sie in den Ansichten verzerrt. In unseren Zeichnungen haben wir die Kurven als Kreisbögen dargestellt. In (zulässiger) Annäherung an die Originalform erleichtern sie das Zeichnen erheblich. Dabei ist zu beachten, was man im tec.LF über Kreisanschlüsse findet.
Aufgabe
1. Zeichnen Sie mit den angegebenen Maßen die Spannklemme in Vorderansicht und Draufsicht.
2. Konstruieren Sie mithilfe der 45°-Spiegelgeraden die Seitenansicht.
Um in der Seitenansicht die Bogenformen zu finden, setzt man auf den Radius R 85 in der Draufsicht Punkte, die nach oben in die Vorderansicht und über die Spiegelgerade in die Seitenansicht projiziert werden.
Lösungsvorschlag
Aufgabe 2. Die Seitenansicht muss punktweise konstruiert werden. Wir haben dafür in der Draufsicht 11 Punkte ausgewählt. In der Seitenansicht haben wir nur den Verlauf der Mittellinie zwischen 1 und 11 gezeichnet. Damit die Zeichnung nicht zu unübersichtlich wird, wurden die von den Punkten 2, 4, 6, 8 und 10 ausgehenden Projektionslinien weggelassen.
Anmerkung: Die Mittelpunkte der Radien R 45, R 52 und R 85 müssen durch Konstruktion gefunden werden.

