Spannung oder keine Spannung? (2) 17.12.2008, 10:14
Die Übung »Spannungsmessung an einer Beleuchtungsanlage« muss jeden Schüler, wenn er sie verstanden hat, mit Stolz erfüllen. Dabei ist sie nur halb so schwierig, wie man vermuten würde.
1. und 2. Ausbildungsjahr
Übungsaufgaben
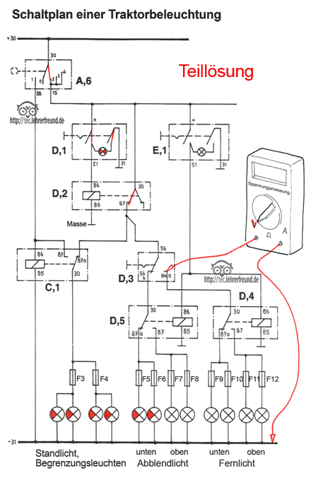
An der hier vorgestellten Schaltung einer Traktorbeleuchtung soll überlegt werden, wo an einzelnen Bauelementen bei unterschiedlichen Beleuchtungsituationen Spannungen zu messen sind. Dies ist tägliches Brot bei der Fehlersuche in elektrischen Anlagen.

Füllen Sie die Messprotokoll-Tabelle aus. Bei den Messungen wird die Spannung zwischen den in der Tabelle angegebenen Klemmen und der Masse -31 gemessen. Ist eine Spannung vorhanden, dann ist dies mit einem Kreuz in der Tabelle zu kennzeichnen. Ist keine Spannung vorhanden, wird ein Strich gemacht.
Beispiel
Betriebszustand »Begrenzungsleuchten UND Abblendlicht unten« sind eingeschaltet
Anleitung zur Lösung
Vorgehensweise:
1. Die laut Messprotokoll an Spannung liegenden Glühlampen farblich kennzeichnen.
2. Den Plan von unten (–31) nach oben durchgehen und feststellen, welche Relais schalten müssen, damit es eine Verbindung zu den Lampen gibt.
3. Feststellen, welche handbetätigten Schalter gedrückt werden müssen. Im vorliegenden Fall sind es A,6 und D,1.
Beispiel: Schalter D,3, Klemme 56a: Sie hat nach +30 keine Verbindung, also wird keine Spannung gemessen.


Lösung
Eine Anmerkung zu den Klemmenbezeichnungen in diesem Plan.
Die Norm DIN 72552 beschreibt das System der Klemmenbezeichnungen im Kraftfahrzeug. Es soll ein fehlerfreies Anschließen der Leitungen an die Geräte und später bei Reparaturen ermöglichen.
In den Schaltern D,4 und D,5 gibt es Klemmen 30, die weit weg von der Leitung »Eingang von Batterie Plus« 30 liegen. Dies muss Schüler befremden. Wie kann man den Zustand erklären?
Die verwendeten Schalter wurden, lange bevor sie in der Beleuchtungsanlage hier eingebaut wurden, für einen ganz anderen Zweck - und wahrscheinlich für teures Geld - konstruiert und hergestellt. In ihrer ursprünglichen Schaltung hatten sie eine direkte Verbindung zur Plusleitung 30. Nun werden sie auch in der hier beschriebenen Beleuchtungsanlage verwendet, weil es sie als Massenbauteile gibt und sie ihrer Funktion nach passen. Sie tragen immer noch den ursprünglichen Klemmenaufdruck, haben aber die direkte Verbindung zur Leitung Eingang von Batterie Plus verloren.


