tec.LEHRERFREUND Infobrief vom 30.07.2015 30.07.2015, 16:29
Der tec.LEHRERFREUND-Infobrief Juli 2015 mit diesen Themen: Hebebühne (1 und 2): Scherenbühne und Kräfte am Scherenarm; Lernprojekt Spannvorrichtung, aufgeteilt in drei übersichtliche Beiträge; Statikaufgabe Wandkran.
Sehr geehrte Damen und Herren,
ein hydraulisch bewegter Spannhebel mit Spannpratze: Welche Position nimmt die Spannpratze bei einem bestimmten Kolbenstangenweg ein? Ein Zirkel und ein Lineal genügen, um dies herauszubekommen.
Inhalt des Infobriefs:
- Bauteilbelastungen: Die richtigen Kräfte aufspüren, 2 Beiträge
- Hebebühne (1): Scherenbühne; Hebebühne (2): Kräfte am Scherenhebel
- Wärmeausdehnung
- Statikaufgabe Wandkran
- Lernprojekt Spannvorrichtung: Beschreibung des Projekts;
Aufgaben (1), Aufgaben (2), Aufgaben (3)
1) Bauteilbelastungen: Die richtigen Kräfte aufspüren
Teil 1: Ein Überblick, was beim Freimachen von Bauteilen zu beachten ist im Beitrag Bauteilbelastungen: Die richtigen Kräfte aufspüren (1)
Tipps, was beim Freimachen von Bauteilen zu beachten ist, z.B. Bremse mit Bremsbacke, Bremshebe. und Bremsscheibe:
Teil 2: Bauteilbelastungen: Die richtigen Kräfte aufspüren (2)
Das Freimachen der Kräfte beginnt man mit einer Lageskizze, die auf einen Blick zeigt, ob eine Aufgabe richtig angepackt wurde. Die Lageskizze ist eine Reduktion auf das Wesentliche der Aufgabe, z.B.:
2) Hebebühnen
Hebebühne (1): Scherenbühne
Wir stellen eine Einfachscheren-Hebebühne vor. Doch – so einfach die Konstruktion aussieht, so schwierig wird es, wenn man versucht, die am Scherenhebel wirkenden Kräfte zu ermitteln.
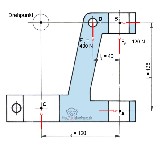
Hebebühne (2): Kräfte am Scherenhebel
Wie viele Kräfte-Berechnungen braucht eine mechanische Konstruktion?
Wahrscheinlich hat niemand nachgezählt, wie oft Konstrukteure die Mathematik bemühen, wenn sie Baugruppen, Geräte und Maschinen konstruieren. Das Rechnen schieben sie so lange hinaus wie möglich – sie werden sich vorrangig auf ihre Erfahrung mit ähnlichen Konstruktionen und auf ihr Gefühl verlassen. Wo das Bauteil aber Menschen in Lebensgefahr bringen könnte, sieht es anders aus.
3) Wärmeausdehnung
Die meisten in technischen Einrichtungen verwendeten Stoffe (z.B. Stahl, Messing, Luft, Hydrauliköl, Quecksilber) dehnen sich bei Erwärmung in alle Richtungen gleichmäßig aus; bei Abkühlung ziehen sie sich wieder zusammen. Die Längenänderung eines bestimmten Stoffes berechnet man mit dem Längenausdehnungskoeffizienten α. Mit Rechenaufgaben.
4) Statikaufgabe Wandkran
In welcher Richtung wird das Lager C beansprucht?
Welche Kräfte wirken am Träger und an der schrägen Stange, wenn eine Last am Seil hängt?
5) Lernprojekt Spannvorrichtung
Beschreibung
Wir stellen als Lern- und Übungsprojekt eine Spannvorrichtung vor. Übungsthemen sind Aufgaben zur Bewegungsfunktion, zum Technischen Zeichnen und zur Technischen Mathematik.
Außerdem einige zugehörige Aufgaben:
5a) Lernprojekt Spannvorrichtung: Aufgaben (1)
Das Lern- und Übungsprojekt »Spannvorrichtung« wird in diesem Beitrag mit Aufgaben zum Technischen Zeichnen vertieft.
Zu der Spannvorrichtung gibt es fünf Beiträge:
– die Beschreibung der Spannvorrichtung
– zwei Beiträge mit Aufgaben
– zwei Beiträge mit Lösungsvorschlägen
5b) Lernprojekt Spannvorrichtung: Aufgaben (2)
Das Lern- und Übungsprojekt »Spannvorrichtung« wird in diesem Beitrag mit Aufgaben zur Technischen Mathematik vertieft.
5c) Lernprojekt Spannvorrichtung: Aufgaben (3)
Die im Lernprojekt »Spannvorrichtung« gestellten Aufgaben zum Technischen Zeichnen werden hier beantwortet. Wie sehen die Fertigungszeichnungen des Spannhebels,der Spannpratze und des Stangenkopfs aus? Dazu die Geometrie der Spannpratze.
Ihnen erholsame Ferien und Auf Wiedersehen!
In den nächsten Wochen fahren wir fort mit einem weiteren Lernprojekt (Zweigang-Bohrmaschine). Danach eine Serie zur Frage: Wie wichtig ist anständiges Deutsch im Technikunterricht? Worauf kommt es an? Auch hier sind Antworten ohne gute Zeichnungen fast unmöglich.








